MikroElektronika MIKROE-3996HEATER CLICK
Description
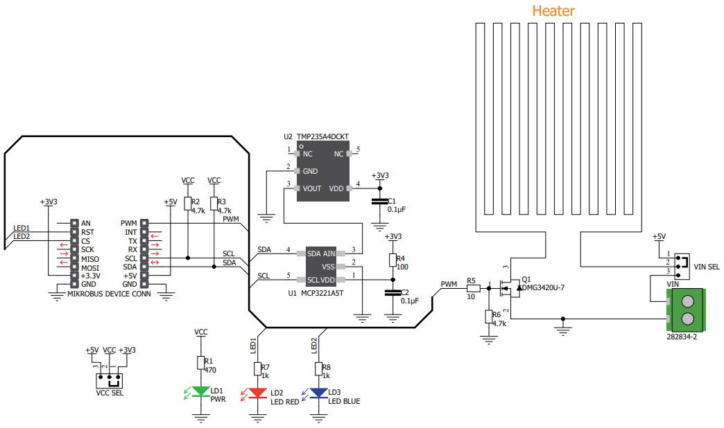
MikroElektronika MIKROE-3996 Heater Click Board is an industrial heater controller designed to provide precise temperature control for a wide range of applications. It features a high-power MOSFET switch, a temperature sensor, and a potentiometer for setting the desired temperature. The board is capable of controlling up to 10A of current, and can be used to control a variety of heating elements, such as resistive heaters, PTC heaters, and ceramic heaters. The board also features an LED indicator to show the current status of the heater, and a jumper to enable/disable the heater. The board is easy to use and can be integrated into any system with minimal effort.
Specifications
MikroElektronika technical specifications, attributes, parameters and parts with similar specifications to MikroElektronika .
- TypeParameter
- Factory Lead Time4 Weeks
- Part StatusActive
- Moisture Sensitivity Level (MSL)1 (Unlimited)
- TypePower Management
- FunctionHeater
- Utilized IC / PartMCP3221, TMP235
- ContentsBoard(s)
- PlatformmikroBUS™ Click™
- RoHS StatusROHS3 Compliant
0 Similar Products Remaining
Technical Documents
Associated Products
| Part Number | Manufacturer | Description | Stock | RFQ |
|---|---|---|---|---|
| Microchip Technology | IC ADC 12BIT 2.7V 1CH LP SOT23-5 | 10000 | RFQ | |
| Microchip Technology | IC ADC 12BIT 2.7V 1CH LP SOT23-5 | 0 | RFQ | |
| Microchip Technology | IC ADC 12BIT 2.7V 1CH LP SOT23-5 | 0 | RFQ | |
| Texas Instruments | SENSOR ANALOG -40C-150C SC70-5 | 990 | RFQ | |
| Microchip Technology | IC ADC 12BIT 2.7V 1CH LP SOT23-5 | 0 | RFQ |


Product
Brand
Articles
Tools









