NXP USA Inc. KIT33912EVMEInterface Development Tools For MC33912 RS-232 SPI
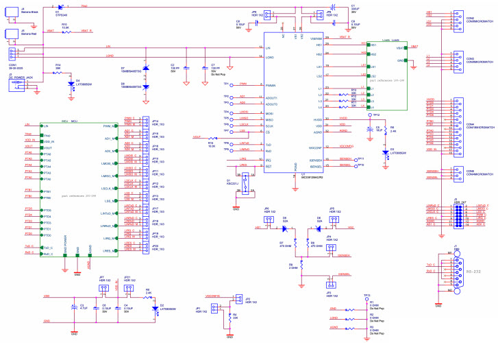
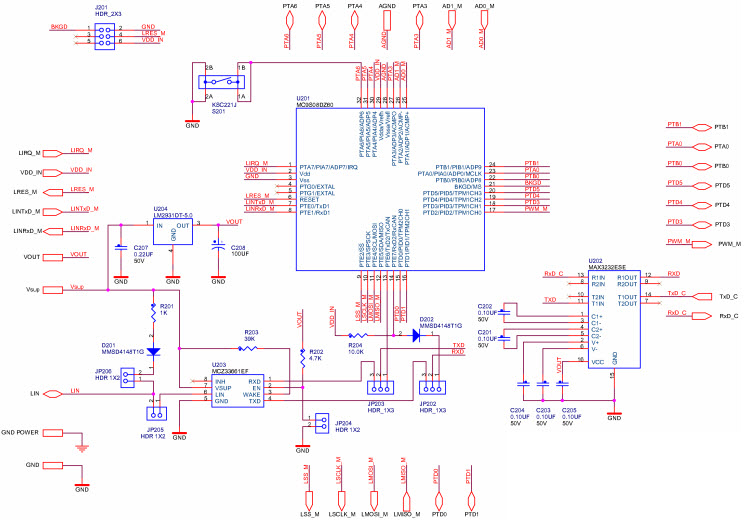
The NXP Semiconductors KIT33912EVME-EVME is an evaluation kit for the MC33912 SBC, a DC motor pre-driver designed for automotive and transportation applications. This kit includes a MC33912 SBC, a DC motor pre-driver, and a variety of other components to help evaluate the performance of the MC33912 SBC. The kit also includes a user manual, a quick start guide, and a software package to help users get started quickly. The MC33912 SBC is designed to provide a high-performance, cost-effective solution for automotive and transportation applications. It features a wide operating voltage range, low power consumption, and a wide range of protection features. The DC motor pre-driver is designed to provide a reliable and efficient solution for controlling DC motors in automotive and transportation applications. The kit also includes a variety of other components such as a power supply, a motor control board, and a variety of connectors and cables. This evaluation kit is an ideal solution for evaluating the performance of the MC33912 SBC and DC motor pre-driver in automotive and transportation applications.
- TypeParameter
- Factory Lead Time15 Weeks
- Published2011
- Part StatusActive
- Moisture Sensitivity Level (MSL)1 (Unlimited)
- TypeInterface
- FunctionLIN
- Utilized IC / PartMC33912
- Supplied ContentsBoard(s)
- Secondary AttributesSPI Interface
- RoHS StatusROHS3 Compliant
| Part Number | Manufacturer | Description | Stock | RFQ |
|---|---|---|---|---|
| NXP USA Inc. | IC SYSTEM BASIS CHIP 32LQFP | 30000 | RFQ | |
| ON Semiconductor | ON SEMICONDUCTOR - LM2931DT-5.0G - LDO-REGLER, 37VIN, 0.1A, 5V, TO252-3 | 3000 | RFQ |


Product
Brand
Articles
Tools













