ON Semiconductor NCP1247USBPDGEVBEVAL BOARD NCP1247USBPDG
Description
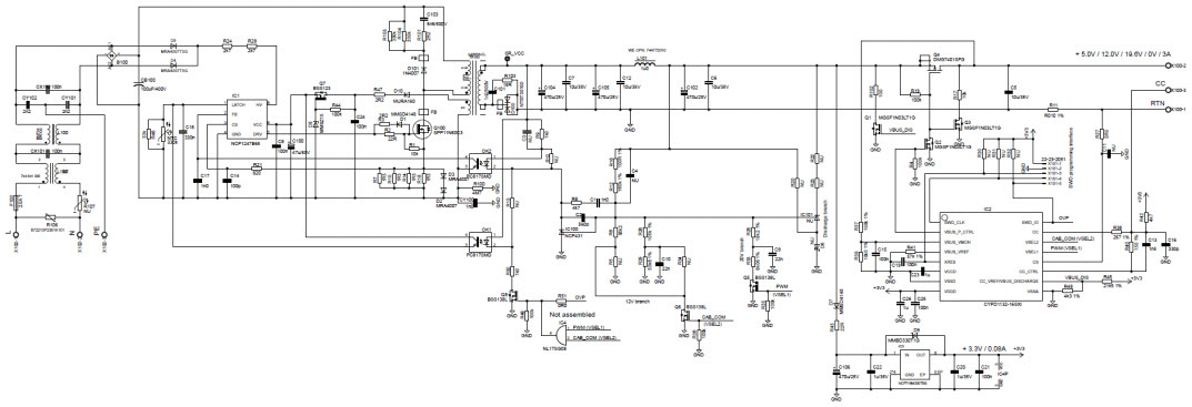
The ON Semiconductor NCP1247USBPDGEVB Evaluation Board is a USB-powered device designed to evaluate the performance of the NCP1247 Fixed Frequency Current Mode PWM Controller. This board features a wide range of adjustable parameters, allowing users to customize the board to their specific needs. It also includes a USB interface for easy connection to a computer, allowing users to monitor and control the board's performance. The board is ideal for use in applications such as motor control, power supplies, and LED lighting. It is also suitable for use in a variety of other applications, including automotive, industrial, and consumer electronics.
Specifications
ON Semiconductor technical specifications, attributes, parameters and parts with similar specifications to ON Semiconductor .
- TypeParameter
- Factory Lead Time52 Weeks
- Published2015
- Part StatusActive
- Moisture Sensitivity Level (MSL)1 (Unlimited)
- Utilized IC / PartNCP1247
- Supplied ContentsBoard(s)
- Evaluation KitYes
- Board TypeFully Populated
- Main PurposeAC/DC, Primary Side
- Outputs and Type1, Isolated
- Regulator TopologyFlyback
- RoHS StatusROHS3 Compliant
0 Similar Products Remaining
Technical Documents
Associated Products
| Part Number | Manufacturer | Description | Stock | RFQ |
|---|---|---|---|---|
| Maxim Integrated | IC DGTL POT 15KOHM 4TAP 10UMAX | 0 | RFQ | |
| Maxim Integrated | IC DGTL POT 57KOHM 4TAP 10UMAX | 0 | RFQ | |
| Maxim Integrated | Digital Potentiometer 4POS 57KOhm Single 10-Pin uMAX | 0 | RFQ | |
| Maxim Integrated | IC DGTL POT 57KOHM 4TAP 10UMAX | 0 | RFQ |


Product
Brand
Articles
Tools




