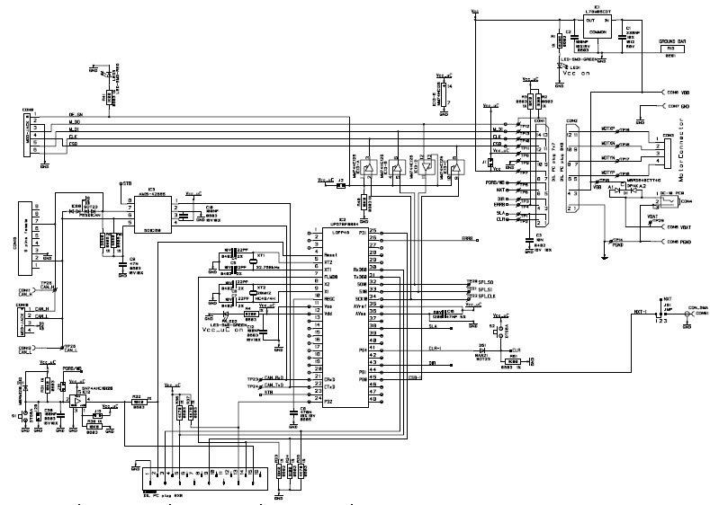
ON Semiconductor NCV7052XGEVKKIT EVALUATION NCV7052X
The ON Semiconductor NCV7052XGEVK-XGEVK, NCV7052XGEVK, NCV7052X Micro Stepping Motor Driver Evaluation Kit is a comprehensive evaluation platform for automotive and transportation applications. This kit includes a micro stepping motor driver, a power supply, and a variety of accessories to help evaluate the performance of the NCV7052X micro stepping motor driver. The kit is designed to provide a complete solution for automotive and transportation applications, allowing users to quickly and easily evaluate the performance of the NCV7052X micro stepping motor driver. The kit includes a comprehensive set of features, such as adjustable current and speed settings, over-current protection, and a wide range of operating voltages. The kit also includes a graphical user interface (GUI) for easy configuration and monitoring of the motor driver. The NCV7052XGEVK-XGEVK, NCV7052XGEVK, NCV7052X Micro Stepping Motor Driver Evaluation Kit is an ideal solution for automotive and transportation applications.
- TypeParameter
- Factory Lead Time6 Weeks
- Published2007
- Part StatusActive
- Moisture Sensitivity Level (MSL)1 (Unlimited)
- TypePower Management
- FunctionMotor Controller/Driver, Stepper
- Utilized IC / PartNCV7052X
- Supplied ContentsBoard(s)
- Evaluation KitYes
- RoHS StatusROHS3 Compliant
| Part Number | Manufacturer | Description | Stock | RFQ |
|---|---|---|---|---|
| ON Semiconductor | ON SEMICONDUCTOR NCL30060BDR2GLed Driver, 1 Output, Flyback, 10.7V-12.8V in, 12V/400mA out, SOIC-7 | 0 | RFQ | |
| ON Semiconductor | IC LED DRIVER OFFLINE 7SOIC | 0 | RFQ | |
| ON Semiconductor | Operational Amplifiers - Op Amps SINGLE CH RTR 3MHZ OPAMP | 2788 | RFQ |


Product
Brand
Articles
Tools

