Silicon Labs SMARTPSE24-KITKIT EVAL REF 24PORT SPI/UART
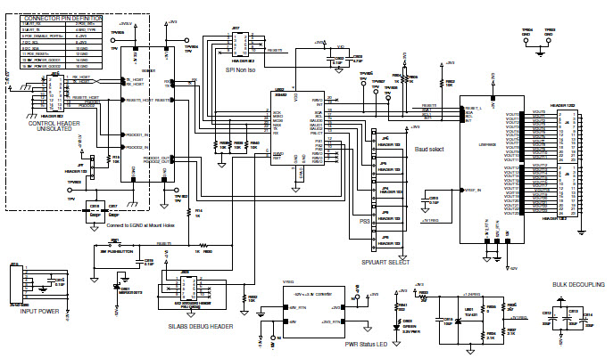
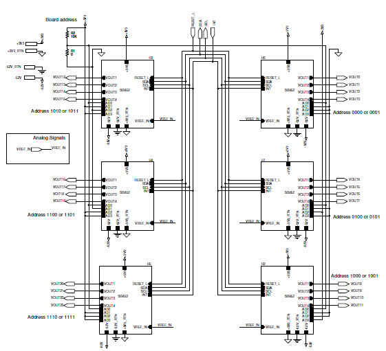
The Silicon Labs SMARTPSE24-KIT is a 24-Port Power Manager Reference Design and Evaluation Kit for Industrial Ethernet applications. It is designed to provide a complete solution for managing power in industrial Ethernet networks. The kit includes a 24-port power manager board, a power supply, and a software package for configuring and monitoring the power manager. The power manager board features 24 ports with PoE+ support, allowing for up to 30W of power per port. It also includes a variety of features such as port-level current monitoring, port-level power control, and port-level power sequencing. The kit also includes a software package that allows for easy configuration and monitoring of the power manager. The software package includes a graphical user interface, a command line interface, and a web-based interface. The kit is ideal for industrial Ethernet applications that require reliable power management.
- TypeParameter
- Weight50.008559mg
- Published1997
- Part StatusObsolete
- Moisture Sensitivity Level (MSL)1 (Unlimited)
- TypePower Management
- FunctionPower Over Ethernet (POE), PSE
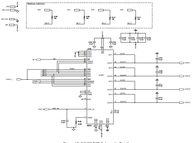
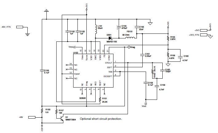
- Utilized IC / PartSi3452, Si3482, Si3500
- Supplied ContentsBoard(s), Cable(s)
- Evaluation KitYes
- RoHS StatusRoHS Compliant
| Part Number | Manufacturer | Description | Stock | RFQ |
|---|---|---|---|---|
| Maxim Integrated | IC SWITCH DUAL SPDT 10UMAX | 10 | BUY | |
| Maxim Integrated | IC SWITCH DUAL SPDT 10UMAX | 5500 | RFQ | |
| Maxim Integrated | SPDT, 2 Func, 1 Channel, PBGA12, 0.50 MM PITCH, UCSP-12 | 2500 | RFQ | |
| Maxim Integrated | IC SWITCH DUAL SPDT 12UCSP | 8 | RFQ |


Product
Brand
Articles
Tools














