Share
STMicroelectronics B-LCDAD-HDMI1DSI TO HDMI ADAPTER
Description
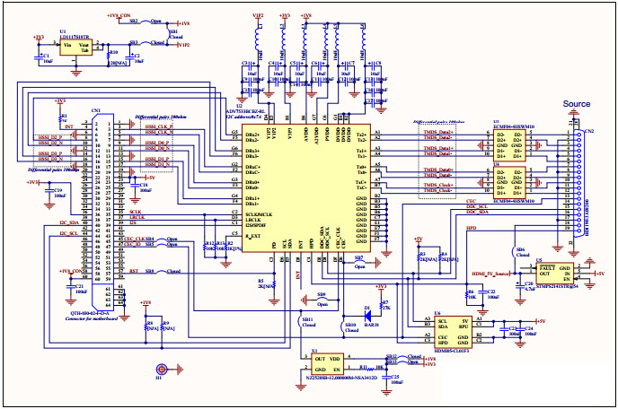
The STMicroelectronics B-LCDAD-HDMI1 DSI to HDMI Adapter Board is a versatile and reliable solution for connecting a DSI input port to an HDMI output port. It is based on the ADV7533 chip and features an audio output port based on the CS4334 chip. This adapter board is designed to provide a high-quality connection between the two ports, allowing for smooth and reliable data transmission. It is an ideal solution for connecting a variety of devices, such as displays, projectors, and other audio/video equipment. The B-LCDAD-HDMI1 is a reliable and cost-effective solution for connecting DSI and HDMI devices.
Specifications
STMicroelectronics technical specifications, attributes, parameters and parts with similar specifications to STMicroelectronics .
- TypeParameter
- Part StatusActive
- Moisture Sensitivity Level (MSL)1 (Unlimited)
- Accessory TypeAdapter Board
- REACH SVHCNo SVHC
- RoHS StatusROHS3 Compliant
0 Similar Products Remaining
Technical Documents


Product
Brand
Articles
Tools









