STMicroelectronics EVAL-L9177AEVALUATION BOARD FOR L9177A
Description
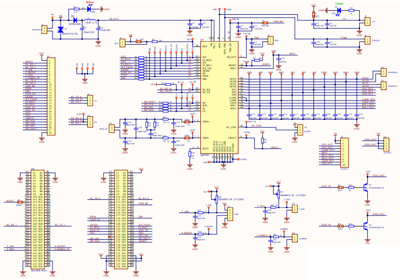
The STMicroelectronics EVAL-L9177A is an evaluation board based on the L9177A Motion Motor Control, Automotive and Transportation IC. This board is designed to evaluate the features and performance of the L9177A IC, and is ideal for applications such as automotive, transportation, and industrial motor control. It includes a wide range of features such as a 3-phase motor driver, a PWM generator, a current sensing circuit, and a power supply circuit. The board also includes a USB interface for easy connection to a PC, and a graphical user interface for easy configuration and monitoring. The EVAL-L9177A is a great tool for evaluating the performance of the L9177A IC and for developing motor control applications.
Specifications
STMicroelectronics technical specifications, attributes, parameters and parts with similar specifications to STMicroelectronics .
- TypeParameter
- Part StatusActive
- Moisture Sensitivity Level (MSL)1 (Unlimited)
- TypePower Management
- FunctionEngine Control
- Utilized IC / PartL9177A
- Supplied ContentsBoard(s)
- EmbeddedNo
- RoHS StatusRoHS Compliant
0 Similar Products Remaining
Technical Documents
Associated Products
| Part Number | Manufacturer | Description | Stock | RFQ |
|---|---|---|---|---|
| Analog Devices Inc. | IC AFE FET INPUT ADC DVR 28TSSOP | 8 | RFQ | |
| Microchip Technology | EEPROM, SER, 32K, 2.5V, 0.25 ARRAY, 8MSO | 9 | RFQ | |
| Microchip Technology | IC EEPROM 32K I2C 400KHZ 8MSOP | 1000 | RFQ | |
| Microchip Technology | IC EEPROM 32KBIT 400KHZ 8MSOP | 2284 | BUY | |
| Microchip Technology | EEPROM Serial-I2C 32K-bit 4K x 8 3.3V/5V 8-Pin MSOP Tube | 22 | RFQ |


Product
Brand
Articles
Tools









