STMicroelectronics STEVAL-IFP015V2Power Management IC Development Tools ISO8200B High Side 8-Ch Eval Board
Description
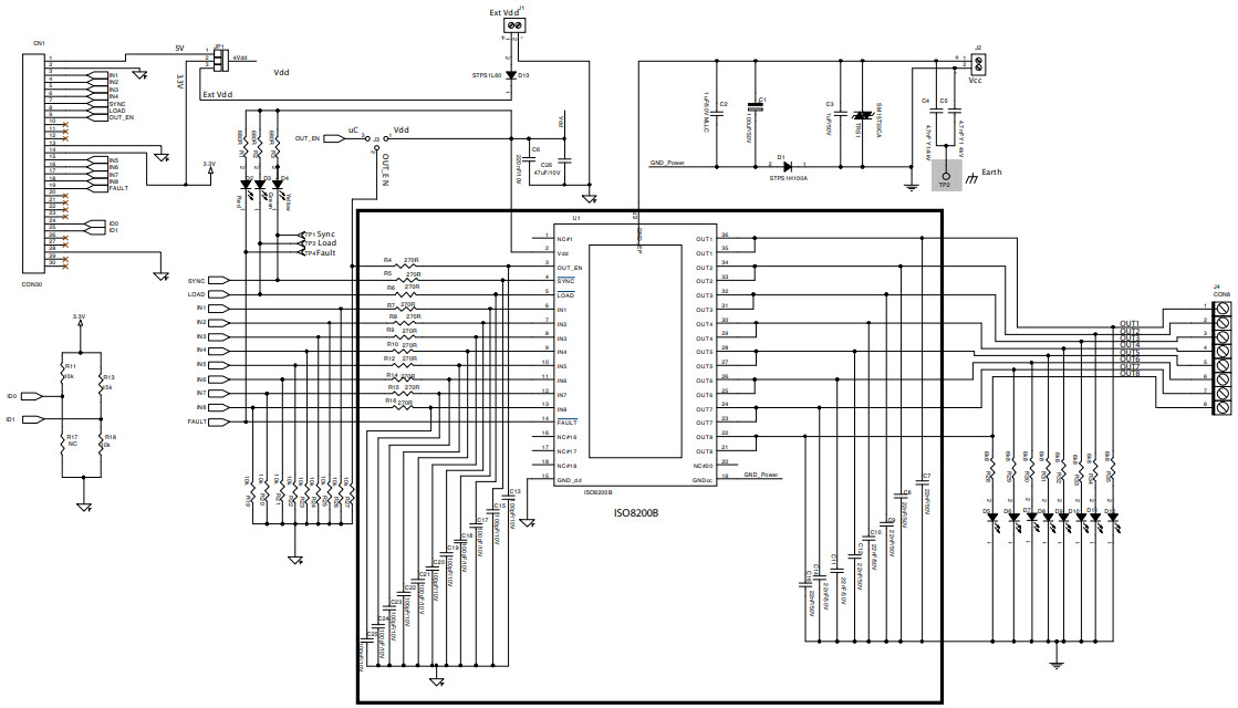
The STMicroelectronics STEVAL-IFP015V2 is a galvanically-isolated 8-channel evaluation board based on the ISO8200B high-side driver and industrial interface. It is designed to provide a reliable and robust solution for driving high-side loads in industrial applications. The board features a wide range of features, including a wide operating voltage range of 4.5V to 28V, a maximum output current of 2A, and a maximum output voltage of 40V. It also features a wide range of protection features, such as over-temperature, over-current, and short-circuit protection. The board is also equipped with a USB interface for easy connection to a PC, and a graphical user interface for easy configuration and monitoring.
Specifications
STMicroelectronics technical specifications, attributes, parameters and parts with similar specifications to STMicroelectronics .
- TypeParameter
- Part StatusActive
- Moisture Sensitivity Level (MSL)1 (Unlimited)
- TypePower Management
- FunctionHigh Side Driver (Internal FET)
- Utilized IC / PartISO8200B
- Supplied ContentsBoard(s)
- Evaluation KitYes
- Primary Attributes8 Channel Internal Switch
- Secondary AttributesShort-Circuit and Thermal Protection
- RoHS StatusROHS3 Compliant
0 Similar Products Remaining


Product
Brand
Articles
Tools





