STMicroelectronics STEVAL-IHT008V1LOW STANDBY LOSS FRONT-END BOARD
Description
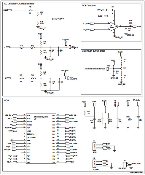
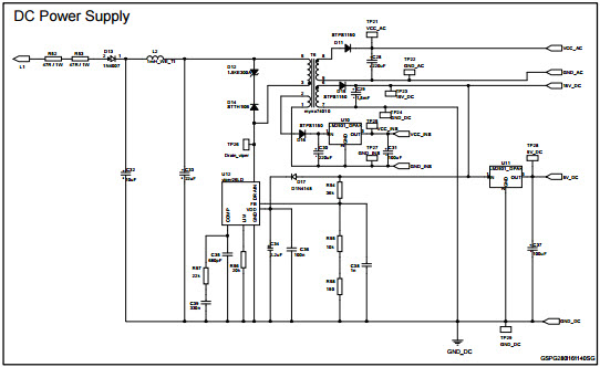
The STMicroelectronics STEVAL-IHT008V1 is a low standby loss front-end evaluation board with inrush current limitation and insulated AC switch control. It is designed for consumer electronics applications and provides a reliable and efficient solution for controlling AC power. The board features a low standby loss of less than 0.5W, an inrush current limitation of up to 10A, and an insulated AC switch control. It also includes a wide range of protection features such as over-voltage, over-current, and short-circuit protection. The board is easy to use and provides a cost-effective solution for controlling AC power in consumer electronics applications.
Specifications
STMicroelectronics technical specifications, attributes, parameters and parts with similar specifications to STMicroelectronics .
- TypeParameter
- Part StatusActive
- Moisture Sensitivity Level (MSL)1 (Unlimited)
- TypePower Management
- Supplied ContentsBoard(s)
- Evaluation KitYes
- EmbeddedYes, MCU, 8-Bit
- Secondary AttributesOn-Board LEDs
- RoHS StatusROHS3 Compliant
0 Similar Products Remaining
Technical Documents
Associated Products
| Part Number | Manufacturer | Description | Stock | RFQ |
|---|---|---|---|---|
| STMicroelectronics | Triacs 16A Snubberless 800Vrrm 900Vrsm 35mA | 950 | RFQ | |
| STMicroelectronics | IC OFFLINE CONV PWM 800V 16-SOIC | 3000 | RFQ | |
| STMicroelectronics | TRIAC LOGIC 800V 800MA SOT223 | 3562 | RFQ | |
| STMicroelectronics | Thyristor AC Switch Triac 800V 8.4A 3-Pin(3 Tab) TO-220FPAB Tube | 0 | RFQ | |
| STMicroelectronics | TRIAC SENS GATE 600V 1A SMBFLAT | 450 | RFQ | |
| Isocom Components 2004 LTD | ISOCOM - IS127 - Optokoppler, Darlington-Ausgang, 1 Kanal, SOP, 4 Pin(s), 50 mA, 3.75 kV, 1000 % | 14000 | RFQ | |
| STMicroelectronics | IC MCU 8BIT 8KB FLASH 32LQFP | 2828 | RFQ | |
| STMicroelectronics | IC COMPARATOR R-R MCRPWR 8-SOIC | 540 | BUY |


Product
Brand
Articles
Tools




















