STMicroelectronics STEVAL-ILL015V2LED Lighting Development Tools HB LED driver with diagnostics based on the LED2472G and STM32
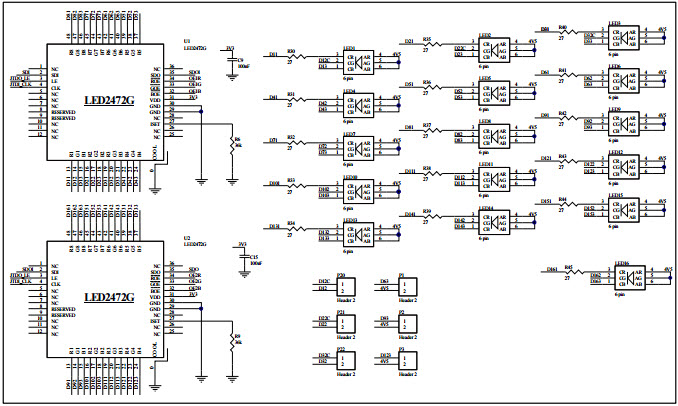
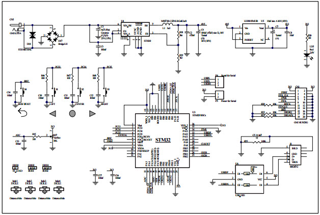
The STMicroelectronics STEVAL-ILL015V2 is an evaluation board based on the LED2472G and STM32 HB LED Driver with Diagnostics, Lighting Control and DALI Interface. It is designed to provide a complete solution for LED lighting applications, allowing users to quickly and easily evaluate the performance of the LED2472G and STM32 HB LED Driver. The board features a wide range of features, including a DALI interface, diagnostics, and lighting control. It also includes a USB port for programming and debugging, as well as a JTAG connector for debugging. The board is ideal for evaluating the performance of the LED2472G and STM32 HB LED Driver in a variety of lighting applications.
- TypeParameter
- PackagingBulk
- Part StatusActive
- Moisture Sensitivity Level (MSL)1 (Unlimited)
- Voltage - Output20V
- Utilized IC / PartLED2472G
- Supplied ContentsBoard(s)
- Outputs and Type24, Non-Isolated
- RoHS StatusROHS3 Compliant
| Part Number | Manufacturer | Description | Stock | RFQ |
|---|---|---|---|---|
| STMicroelectronics | IC AUDIO SYSTEM DGTL 36PWRSSO | 12000 | RFQ | |
| STMicroelectronics | IC FULLY INTEG PROC POWERSSO-36 | 9654 | RFQ |








