STMicroelectronics STEVAL-MKI109V3MOTHERBOARD MEMS ADAPTER STM32
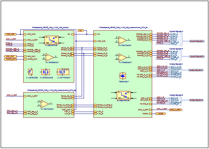
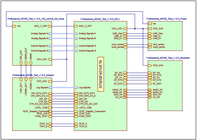
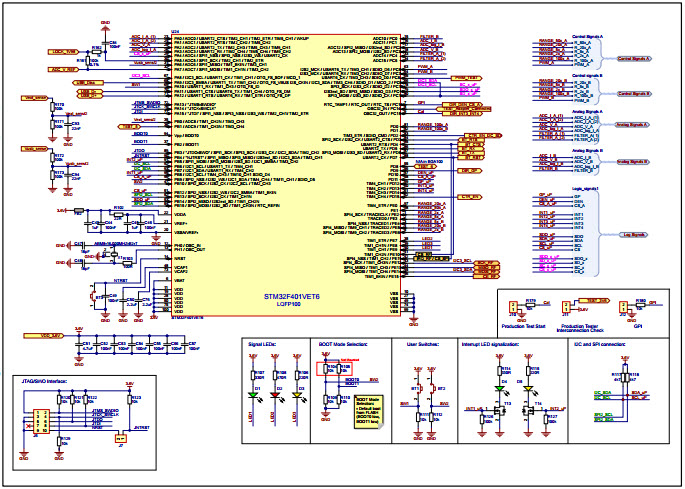
The STMicroelectronics STEVAL-MKI109V3 is a professional MEMS tool designed to help engineers and developers quickly and easily evaluate and develop MEMS-based applications. It is based on the STM32F401VET6 microcontroller and is compatible with a wide range of MEMS adapters, lighting and environmental sensors. The board features a USB interface for easy connection to a PC, as well as a JTAG connector for debugging. It also includes a 3-axis accelerometer, a 3-axis gyroscope, a 3-axis magnetometer, a pressure sensor, a humidity sensor, a temperature sensor, and a light sensor. The board also includes a power supply, a voltage regulator, and a battery charger. The STEVAL-MKI109V3 is an ideal tool for quickly and easily evaluating and developing MEMS-based applications.
- TypeParameter
- SeriesMEMS
- Part StatusActive
- Moisture Sensitivity Level (MSL)1 (Unlimited)
- TypeInterface
- Utilized IC / PartSTM32 and MEMS Demo Boards
- Supplied ContentsBoard(s)
- Evaluation KitYes
- Core ArchitectureARM
- Primary AttributesDIL24 Socket for ST MEMS Adapter Boards
- EmbeddedYes, MCU, 32-Bit
- Secondary AttributesGraphical User Interface
- REACH SVHCNo SVHC
- RoHS StatusNon-RoHS Compliant
| Part Number | Manufacturer | Description | Stock | RFQ |
|---|---|---|---|---|
| STMicroelectronics | IC OPAMP GP 880KHZ RRO 8DFN | 2804 | RFQ | |
| Texas Instruments | IC TRNSLTR UNIDIRECTIONAL 8X2SON | 136000 | RFQ | |
| STMicroelectronics | STMICROELECTRONICS STM32F401VET6 32 Bit Microcontroller, Dynamic Efficiency Line, ARM Cortex-M4, 84 MHz, 512 KB, 96 KB, 100 Pins | 0 | RFQ | |
| STMicroelectronics | IC VREF SHUNT ADJ SOT23-3 | 0 | RFQ | |
| STMicroelectronics | IC ANLG SWITCH DUAL SPDT 10QFN | 4040 | RFQ | |
| STMicroelectronics | STMICROELECTRONICS - LDK220M36R - Regulador de Tensión Fija LDO, 2.5V a 13.2V, 200mV de Caída, 3.6Vout, 200mAout, SOT-23-5 | 2220 | BUY | |
| STMicroelectronics | IC OPAMP 5V ZD MICROPWR 8UFSON | 12000 | RFQ | |
| STMicroelectronics | STMICROELECTRONICS LDK120PU25R Fixed LDO Voltage Regulator, 1.9V to 5.5V, 150mV Dropout, 2.5Vout, 200mAout, DFN-6 | 6000 | BUY | |
| Abracon LLC | CRYSTAL 16.0000MHZ 18PF SMD | 16350 | BUY |


Product
Brand
Articles
Tools





























