STMicroelectronics STEVAL-PCC009V2STMICROELECTRONICS STEVAL-PCC009V2 Evaluation Board, STM33, DFU Mode, I2C, SPI and UART Interface, IBU Universal Interface
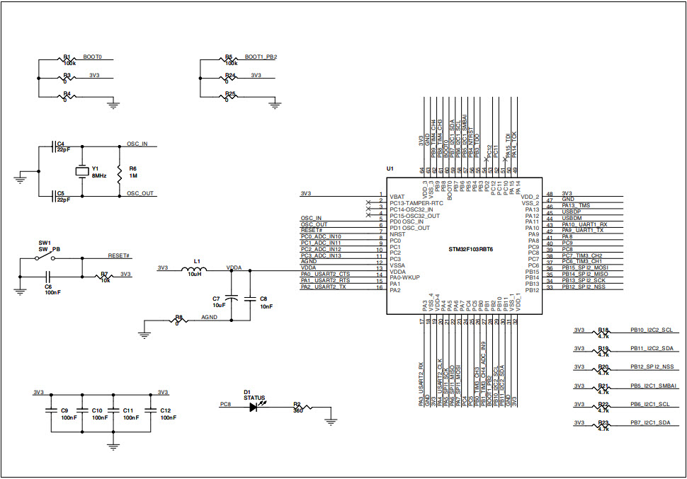
Motor Control and IPS Universal Interface Evaluation Board is a comprehensive evaluation board designed to evaluate the features of STMicroelectronics' STM32x microcontroller family. The board is equipped with a wide range of peripherals and interfaces, including a motor control interface, a universal interface, and a power supply. The board is designed to be used in industrial motor control applications, such as motor control, motor speed control, and motor position control. It also provides a platform for evaluating the features of the STM32x microcontroller family, such as its advanced peripherals, its low power consumption, and its high performance. The board is also equipped with a graphical user interface (GUI) for easy configuration and monitoring of the board's features. The board is also compatible with a wide range of development tools, such as the STM32CubeIDE, STM32CubeMX, and STM32CubeProgrammer.
- TypeParameter
- Lifecycle StatusACTIVE (Last Updated: 7 months ago)
- MountBase
- Part StatusActive
- Moisture Sensitivity Level (MSL)1 (Unlimited)
- TypeInterface
- FunctionIBU
- Operating Supply Voltage3.6V
- InterfaceI2C, SPI, UART
- Data Bus Width32b
- Utilized IC / PartSTM32
- Supplied ContentsBoard(s)
- Evaluation KitYes
- Core ArchitectureARM
- Primary AttributesI2C, SPI, UART Interface
- EmbeddedYes, MCU, 32-Bit
- Secondary AttributesUSB Powered
- FeaturesI2C
- REACH SVHCNo SVHC
- Radiation HardeningNo
- RoHS StatusROHS3 Compliant
- Lead FreeLead Free
| Part Number | Manufacturer | Description | Stock | RFQ |
|---|---|---|---|---|
| STMicroelectronics | IC MCU 32BIT 384KB FLASH 64LQFP | 2880 | RFQ | |
| STMicroelectronics | IC REG LINEAR 3.3V 1A DPAK | 0 | RFQ | |
| Traco Power | DC DC CONVERTER 5V 1W | 0 | RFQ |


Product
Brand
Articles
Tools














