STMicroelectronics STEVAL-TTM002V1AUTOMOTIVE IC EVAL BOARDS
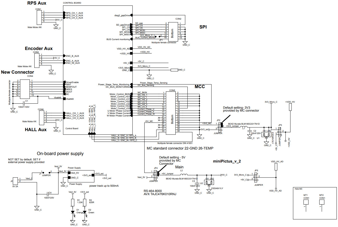
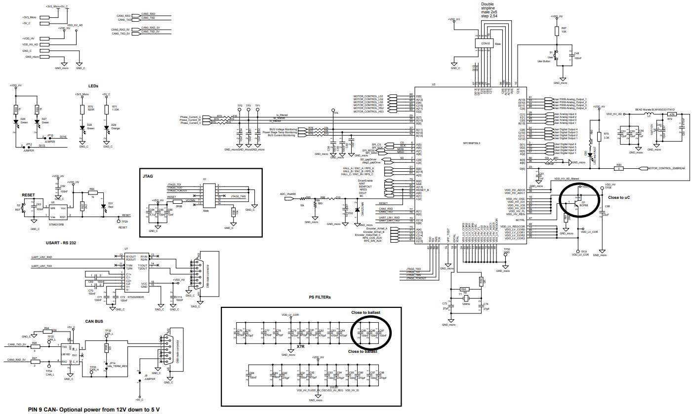
The STMicroelectronics STEVAL-TTM002V1 is a motor control board designed for automotive applications. It is a complete solution for controlling motors in automotive applications, providing a wide range of features and functions. The board includes a 32-bit ARM Cortex-M3 processor, a power stage, a CAN transceiver, and a variety of peripherals. It is capable of controlling up to three brushless DC motors, and can be used for applications such as electric power steering, electric brake systems, and electric vehicle traction control. The board also includes a range of safety features, such as over-current protection, over-voltage protection, and temperature monitoring. The board is designed to be easy to use and integrate into existing automotive systems.
- TypeParameter
- MfrSTMicroelectronics
- PackageBulk
- Product StatusActive
- Base Product NumberTTM002V1
- Factory Pack QuantityFactory Pack Quantity1
- ManufacturerSTMicroelectronics
- BrandSTMicroelectronics
- Tool Is For Evaluation OfSPC560P50L3
- RoHSDetails
- Series-
- PackagingBulk
- TypePower Management
- SubcategoryDevelopment Tools
- FunctionMotor Controller/Driver
- Output Voltage-
- Utilized IC / PartSPC560P50L3
- Supplied ContentsBoard(s)
- Product TypePower Management IC Development Tools
- Primary Attributes-
- EmbeddedYes, MCU, 32-Bit
- Secondary Attributes-
- ProductEvaluation Boards
- Kit ContentsEval Board SPC560P50L3
- Input Voltage-
- Product CategoryPower Management IC Development Tools
| Part Number | Manufacturer | Description | Stock | RFQ |
|---|---|---|---|---|
| Maxim Integrated | RF Detector 100-2500MHz 45dB RF Detector | 0 | RFQ | |
| NDK America, Inc. | Crystal 32.7680KHZ 6PF SMD | 3010 | RFQ | |
| STMicroelectronics | UHF EPC CLASS1 GEN2 READER | 0 | RFQ | |
| FTDI, Future Technology Devices International Ltd | IC USB SERIAL FULL UART 20QFN | 184 | RFQ | |
| STMicroelectronics | IC MCU 32BIT 1MB FLASH 64LQFP | 3104 | RFQ | |
| STMicroelectronics | IC REG LINEAR POS ADJ 1A 6DFN | 27000 | RFQ | |
| Skyworks Solutions Inc. | IC SWITCH SP2T | 32756 | BUY | |
| Johanson Technology Inc. | LOW PASS FILTER | 3000 | BUY |


Product
Brand
Articles
Tools

















