STMicroelectronics STM32G071B-DISCODISCOVERY STM32G071 EVAL BRD
Description
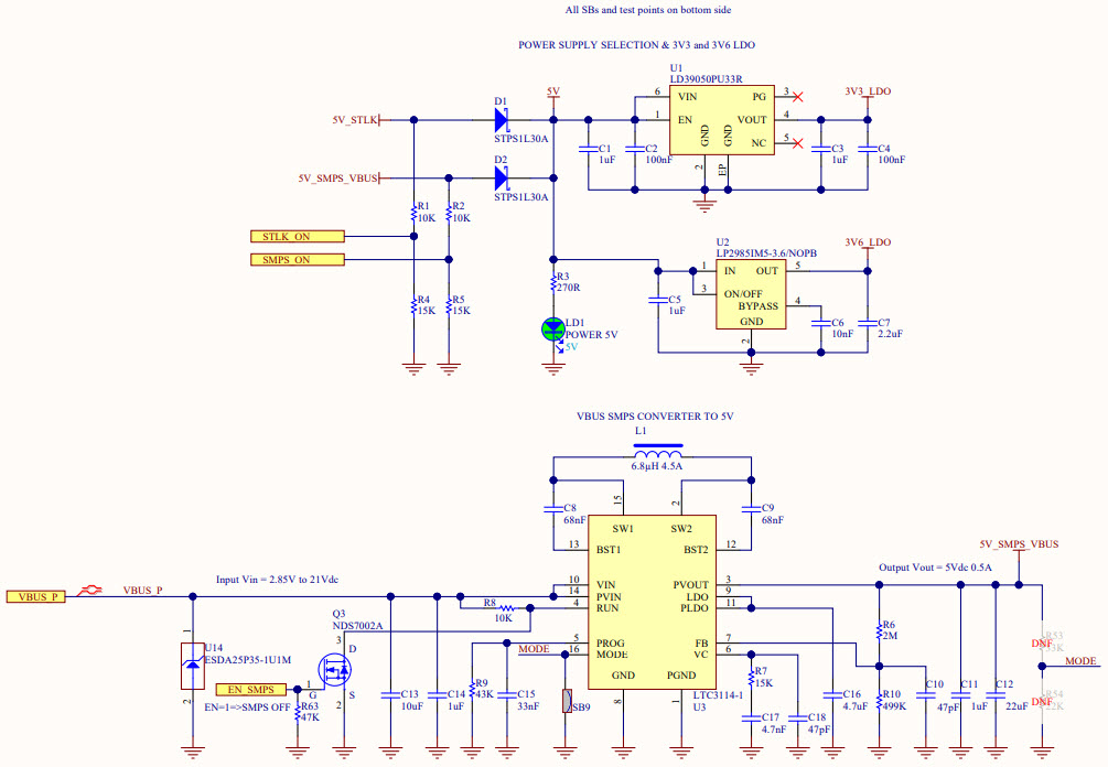
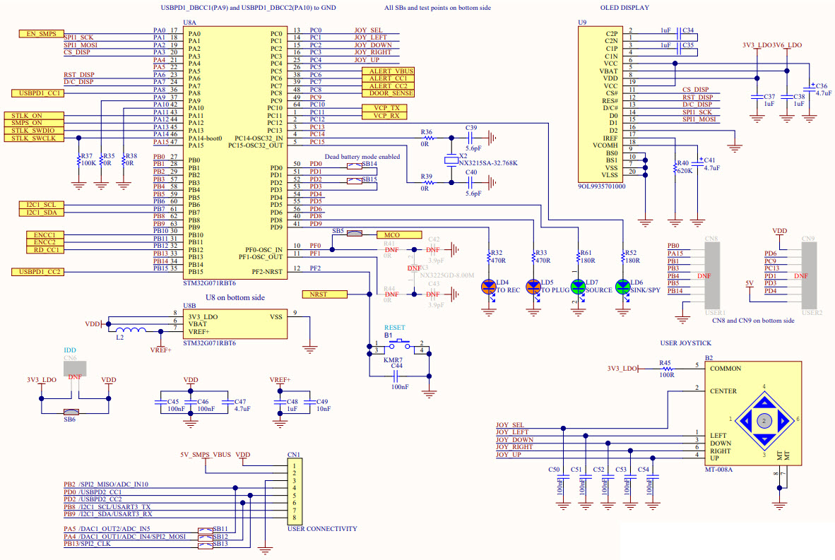
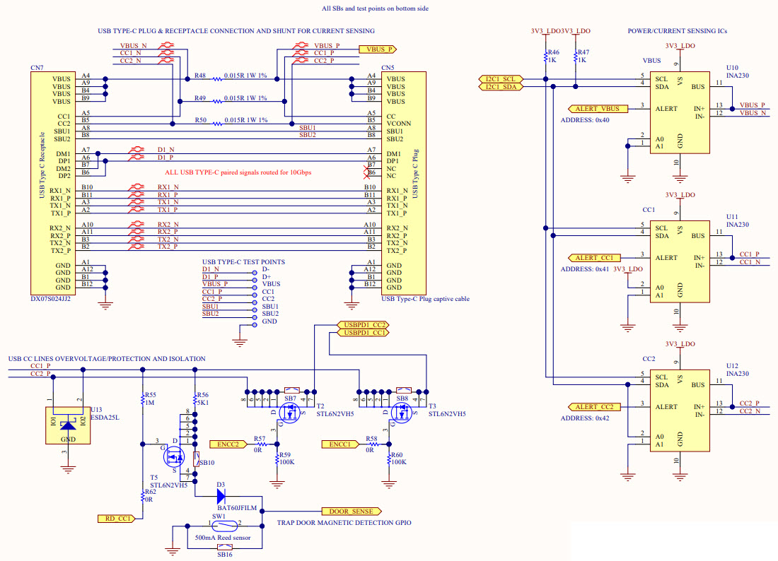
The STMicroelectronics STM32G071B-DISCO is a Discovery kit for USB Type-C and Power Delivery, Consumer Electronics Applications. It is a complete development platform for the STM32G071B microcontroller, which is based on the Arm Cortex-M0+ core. The kit includes a range of features such as a USB Type-C port, a USB PD controller, a power management IC, a power switch, and a range of other peripherals. It also includes a range of software tools and examples to help developers get started quickly. The kit is ideal for developing consumer electronics applications such as USB Type-C and Power Delivery, as well as other applications that require low power consumption and high performance.
Specifications
STMicroelectronics technical specifications, attributes, parameters and parts with similar specifications to STMicroelectronics .
- TypeParameter
- Mounting TypeFixed
- SeriesSTM32G0
- Part StatusActive
- Moisture Sensitivity Level (MSL)1 (Unlimited)
- TypeMCU 32-Bit
- Core ProcessorARM® Cortex®-M0+
- Utilized IC / PartSTM32G071
- ContentsBoard(s)
- Board TypeEvaluation Platform
- PlatformDiscovery
0 Similar Products Remaining
Technical Documents
Associated Products
| Part Number | Manufacturer | Description | Stock | RFQ |
|---|---|---|---|---|
| STMicroelectronics | IC REG LINEAR 3.3V 150MA SOT23-5 | 6000 | RFQ | |
| Texas Instruments | IC REG LINEAR 3.6V 150MA SOT23-5 | 1254 | RFQ | |
| NDK America, Inc. | Crystal 32.768KHZ 12.5PF SMD | 724 | BUY |


Product
Brand
Articles
Tools


























