STMicroelectronics X-NUCLEO-S2868A2SUB-1 GHZ 868 MHZ RF EXPANSION S
Description
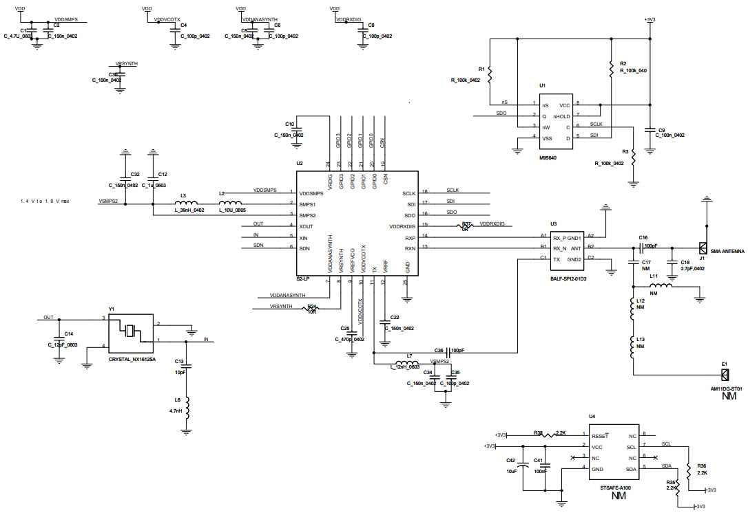
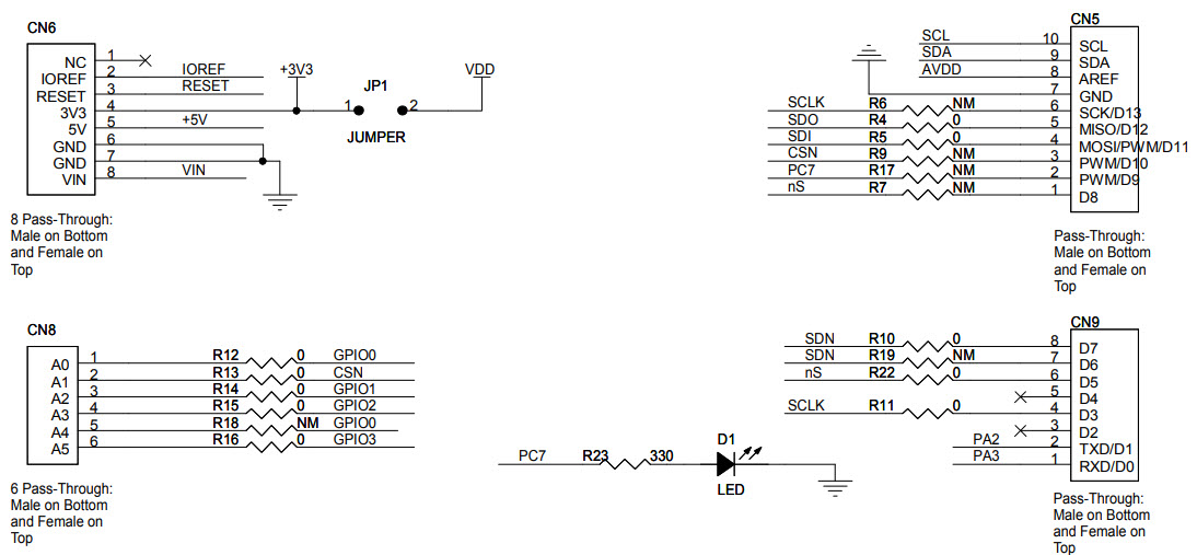
The STMicroelectronics X-NUCLEO-S2868A2 is a Sub-1 GHz 868 MHz RF Expansion Board based on the S2-LP Radio for STM32 Nucleo. It is designed to provide a cost-effective solution for wireless communication applications. The board is equipped with an S2-LP radio transceiver, which supports a wide range of communication protocols, including LoRa, FSK, GFSK, and OOK. It also features an integrated antenna, a power amplifier, and a low-noise amplifier. The board is compatible with the STM32 Nucleo development platform, allowing users to quickly and easily develop their own wireless communication applications. The X-NUCLEO-S2868A2 is an ideal solution for applications such as smart metering, home automation, and industrial automation.
Specifications
STMicroelectronics technical specifications, attributes, parameters and parts with similar specifications to STMicroelectronics .
- TypeParameter
- Part StatusActive
- Moisture Sensitivity Level (MSL)1 (Unlimited)
- TypeRF
- FunctionTransceiver
- Utilized IC / PartS2-LP
- ContentsBoard(s)
- PlatformNucleo
- RoHS StatusROHS3 Compliant
0 Similar Products Remaining
Technical Documents
Associated Products
| Part Number | Manufacturer | Description | Stock | RFQ |
|---|---|---|---|---|
| STMicroelectronics | STMICROELECTRONICS LD1086DT50TRFixed LDO Voltage Regulator, 8V to 30V, 1.3V Dropout, 5Vout, 1.5Aout, TO-252-3 | 0 | RFQ | |
| Microchip Technology | IC ADC 10BIT 2.7V 8CH SPI 16SOIC | 10 | RFQ |


Product
Brand
Articles
Tools










