Analog Devices AD8145-EVALZejection (69 dB @ 10 MHz) of the AD8145 allows for the use of low cost, unshielded twisted pair cables in noisy environments. The AD8145 can be
Description
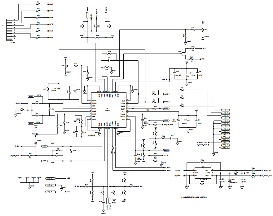
The Analog Devices AD8145-EVALZ Evaluation Board is designed to evaluate the performance of the AD8145 High Speed, Triple Differential Receivers with Comparators. This board is ideal for automotive and transportation applications, providing a platform to evaluate the AD8145’s features and performance. The board includes a power supply, a USB-to-serial converter, and a variety of connectors and jumpers to facilitate testing and evaluation. The board also includes a variety of test points and a logic analyzer connector for easy debugging. The AD8145-EVALZ Evaluation Board is a great tool for evaluating the performance of the AD8145 in automotive and transportation applications.


Product
Brand
Articles
Tools





