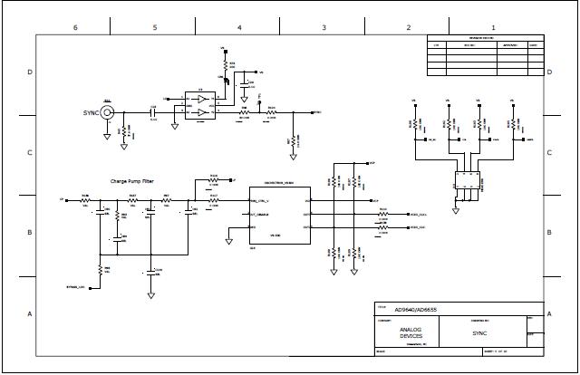
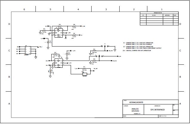
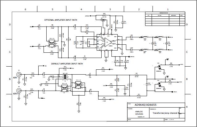
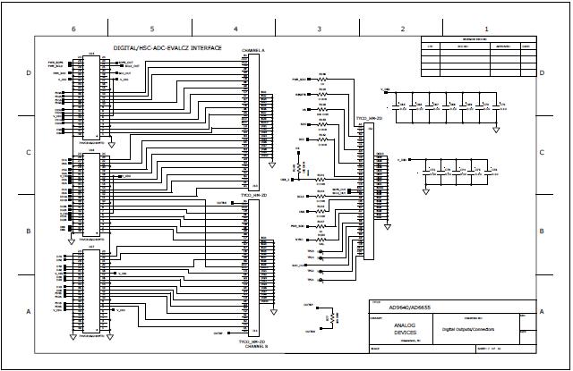
Analog Devices Inc. AD6655-150EBZANALOG DEVICES AD6655-150EBZ Evaluation Board, Integer 1-to-8 Input Clock Divider, ADC Clock Duty Cycle Stabilize
The Analog Devices AD6655-150EBZ Evaluation Board is designed for use with the AD6655ABCPZ-150 IF Diversity Receiver, a high-performance, low-power receiver for automotive and transportation applications. This evaluation board provides a platform for testing and evaluating the performance of the AD6655ABCPZ-150 receiver in a variety of automotive and transportation applications. The board includes a variety of features, such as a wide input frequency range, adjustable gain, and adjustable IF filter bandwidth. It also includes a variety of connectors for easy connection to external components. The board is designed to be used with a variety of automotive and transportation applications, such as in-vehicle infotainment systems, navigation systems, and telematics systems.
- TypeParameter
- Package / CaseTO-8
- Number of Pins64
- PackagingBulk
- Part StatusObsolete
- Moisture Sensitivity Level (MSL)1 (Unlimited)
- TypeReceiver
- Max Operating Temperature85°C
- Min Operating Temperature-40°C
- Frequency0Hz~450MHz
- Base Part NumberAD6655
- Operating Supply Voltage1.9V
- Number of Channels2
- InterfaceParallel
- Operating Supply Current440mA
- Min Input Voltage500mV
- Max Input Voltage1V
- Supplied ContentsBoard(s)
- Resolution1.75 B
- Evaluation KitYes
- Input Capacitance8pF
- REACH SVHCNo SVHC
- RoHS StatusROHS3 Compliant
- Lead FreeContains Lead
| Part Number | Manufacturer | Description | Stock | RFQ |
|---|---|---|---|---|
| Murata Electronics | MURATA - BNX016-01 - Power Line Filter, 25 V, EMI, RFI, 15 A, Through Hole | 3391 | RFQ | |
| Analog Devices Inc. | SP Amp DIFF AMP Single 5.5V 16-Pin LFCSP EP T/R | 6716 | RFQ | |
| Analog Devices Inc. | IC CLOCK GEN 1.8GHZ VCO 64-LFCSP | 70 | BUY | |
| Analog Devices Inc. | IC CLOCK GEN 1.6GHZ VCO 64-LFCSP | 46 | RFQ | |
| Analog Devices Inc. | IC IF RCVR 14BIT 150MSPS 64LFCSP | 2533 | RFQ | |
| Analog Devices, Inc. | SP Amp DIFF AMP Single 5.5V 16-Pin LFCSP EP Tray | 0 | RFQ | |
| Analog Devices | SP Amp DIFF AMP Single 5.5V 16-Pin LFCSP EP | 354 | RFQ |


Product
Brand
Articles
Tools




























