Analog Devices Inc. AD8556-EVALZANALOG DEVICES AD8556-EVALZAD8556 EVALUATION MODULE
Description
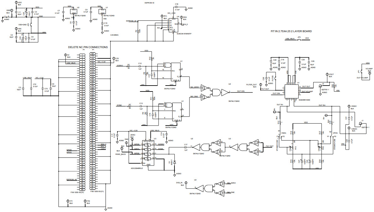
The Analog Devices AD8556-EVALZ is an evaluation board for the AD8556 Zero-Drift, Digitally Programmable Sensor Signal Amplifier, Instrumentation and Measurement Amplifier. This board is designed to provide a platform for evaluating the performance of the AD8556 amplifier. It features a wide range of gain settings, adjustable offset, and a low-noise, low-power design. The board also includes a variety of connectors and test points for easy connection to external components. The AD8556-EVALZ is an ideal tool for evaluating the performance of the AD8556 amplifier in a variety of applications.
Specifications
Analog Devices Inc. technical specifications, attributes, parameters and parts with similar specifications to Analog Devices Inc. .
- TypeParameter
- Lifecycle StatusPRODUCTION (Last Updated: 2 weeks ago)
- Factory Lead Time8 Weeks
- Package / CaseSOIC
- Number of Pins0
- SeriesDigiTrim®
- Part StatusActive
- Moisture Sensitivity Level (MSL)1 (Unlimited)
- Max Operating Temperature125°C
- Min Operating Temperature-40°C
- Base Part NumberAD8556
- Output TypeSingle-Ended
- Operating Supply Current2.7mA
- Nominal Supply Current2.7mA
- Slew Rate1.2V/μs
- Amplifier TypeChopper (Zero-Drift)
- Common Mode Rejection Ratio80 dB
- Voltage - Supply, Single/Dual (±)4.5V~5.5V
- Output Current per Channel10mA
- Utilized IC / PartAD8556
- Supplied ContentsBoard(s)
- Input Offset Voltage (Vos)10μV
- Evaluation KitYes
- Board TypeFully Populated
- Channels per IC1 - Single
- Current - Supply (Main IC)2mA
- REACH SVHCNo SVHC
- RoHS StatusROHS3 Compliant
- Lead FreeContains Lead
0 Similar Products Remaining
Technical Documents
Associated Products
| Part Number | Manufacturer | Description | Stock | RFQ |
|---|---|---|---|---|
| STMicroelectronics | IC EEPROM 2K I2C 400KHZ 8SO | 982500 | RFQ | |
| Analog Devices Inc. | SP Amp INSTR Amp Single R-R I/O 5.5V 16-Pin LFCSP EP T/R | 228 | RFQ | |
| Analog Devices Inc. | SP Amp INSTR Amp Single R-R I/O 5.5V Automotive 8-Pin SOIC N T/R | 18 | RFQ | |
| Analog Devices Inc. | ANALOG DEVICES - ADG3304BRUZ - Voltage Level Translator, 4 Input, 6 ns, 1.15 V to 5.5 V, TSSOP-14 | 0 | RFQ | |
| Analog Devices Inc. | SP Amp INSTR Amp Single R-R I/O 5.5V 8-Pin SOIC N T/R | 2500 | RFQ | |
| Analog Devices Inc. | IC OPAMP CHOPPER 2MHZ 16LFCSP | 280 | RFQ | |
| Analog Devices Inc. | ANALOG DEVICES AD8557ARZ Instrument Amplifier, 1, 12 V, 2 MHz, 2.7V to 5.5V, SOIC | 73 | RFQ | |
| Analog Devices Inc. | SP Amp INSTR Amp Single 5.5V 8-Pin SOIC N T/R | 3899 | RFQ | |
| Analog Devices Inc. | IC OPAMP CHOPPER 2MHZ 16LFCSP | 1500 | RFQ | |
| Analog Devices Inc. | SP Amp INSTR Amp Single 5.5V 8-Pin SOIC N T/R | 3000 | BUY | |
| Texas Instruments | IC GATE NAND SCHMITT 4CH 14SOIC | 611 | RFQ | |
| C&K | SWITCH TOGGLE SPDT 0.4VA 20V | 25 | BUY |
Load more


Product
Brand
Articles
Tools














