Analog Devices Inc. ADL5565-EVALZANALOG DEVICES ADL5565-EVALZADL5565, DIFF AMPLIFIER, EVAL BOARD
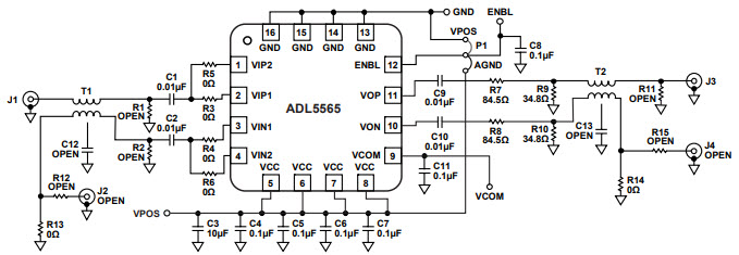
The Analog Devices ADL5565-EVALZ Evaluation Board is a versatile tool for evaluating the performance of the ADL5565 6 GHz Ultrahigh Dynamic Range Differential Amplifier. This board is designed for use in communications and telecom applications, and features a wide range of features to help engineers and technicians evaluate the performance of the amplifier. The board includes a differential input and output, a wide range of gain settings, and a wide range of frequency response settings. The board also includes a wide range of test points for monitoring the performance of the amplifier, as well as a variety of other features to help engineers and technicians evaluate the performance of the amplifier. The board is also designed to be easy to use, with a simple user interface and intuitive controls.
- TypeParameter
- Lifecycle StatusPRODUCTION (Last Updated: 1 month ago)
- Factory Lead Time8 Weeks
- Number of Pins0
- PackagingBulk
- Part StatusActive
- Moisture Sensitivity Level (MSL)1 (Unlimited)
- Max Operating Temperature85°C
- Min Operating Temperature-40°C
- Frequency6GHz
- Base Part NumberADL5565
- Output TypeDifferential
- Operating Supply Voltage5.2V
- Number of Channels1
- Operating Supply Current80mA
- Nominal Supply Current80mA
- Slew Rate11V/μs
- Amplifier TypeDifferential
- Voltage - Supply, Single/Dual (±)2.8V~5.2V
- Output Current per Channel30mA
- Utilized IC / PartADL5565
- Supplied ContentsBoard(s)
- Evaluation KitYes
- Gain15.5 dB
- -3db Bandwidth7GHz
- Board TypeFully Populated
- Noise Figure8.7 dB
- Channels per IC1 - Single
- Current - Supply (Main IC)80mA
- REACH SVHCNo SVHC
- RoHS StatusROHS3 Compliant
- Lead FreeContains Lead
| Part Number | Manufacturer | Description | Stock | RFQ |
|---|---|---|---|---|
| Analog Devices Inc. | ANALOG DEVICES AD9514BCPZ CLOCK DISTRIBUTION, 9514, LFCSP-32 | 7 | RFQ | |
| Analog Devices Inc. | IC CLK BUFFER 1:3 1.6GHZ 32LFCSP | 707 | BUY |


Product
Brand
Articles
Tools








