Analog Devices Inc. EV-AD74412RSDZEVALUATION BOARD
Description
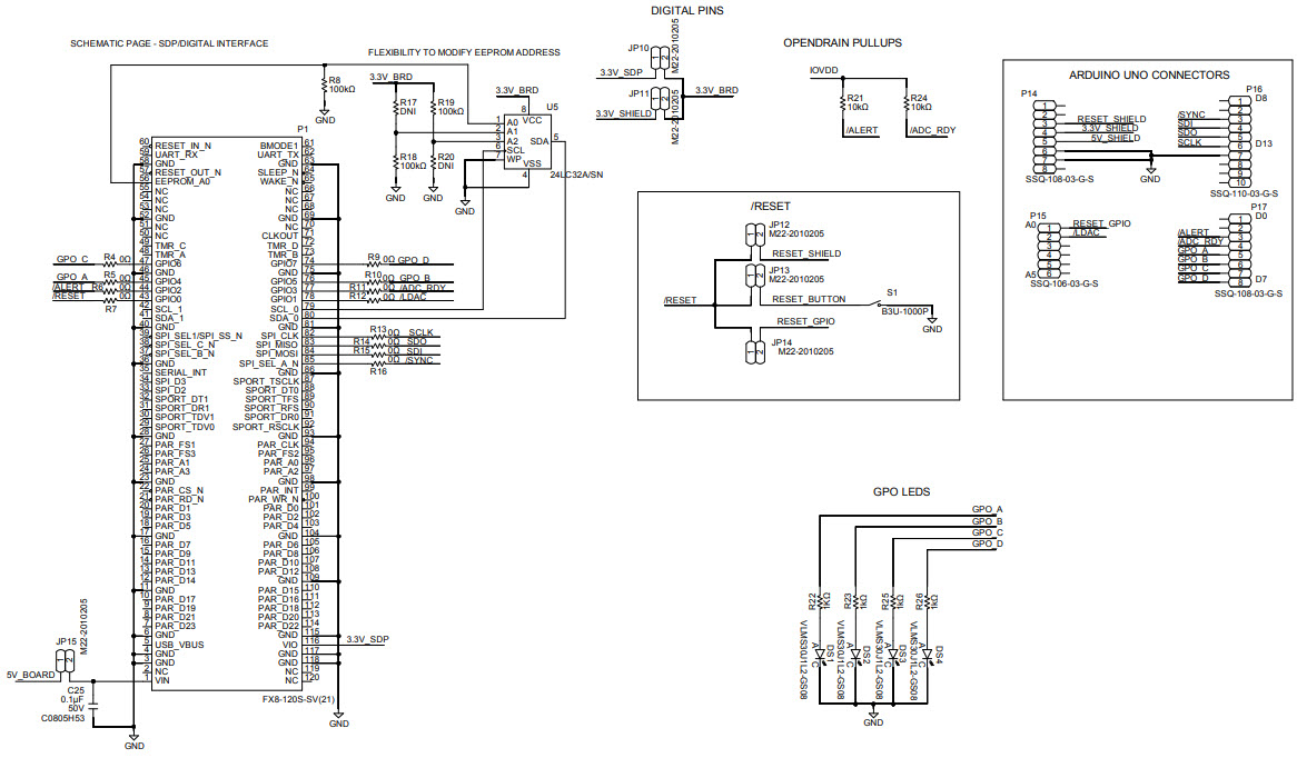
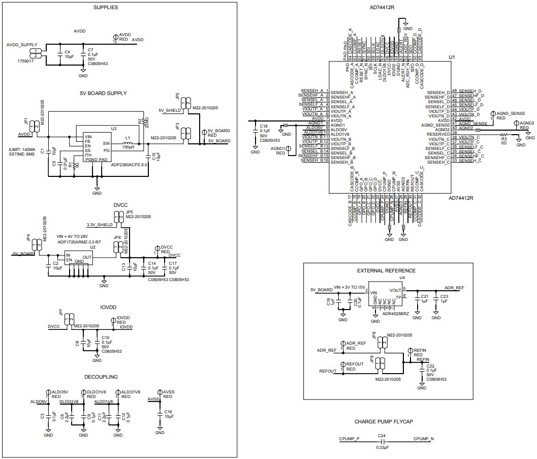
The Analog Devices EV-AD74412RSDZ Evaluation Kit is designed to evaluate the AD74412R Quad-Channel, Software Configurable Input/Output, Industrial Digital Isolator. This kit includes a USB-to-I2C/SPI interface board, a power supply, and a set of cables and connectors. The AD74412R isolator provides four channels of digital isolation with a maximum data rate of 1 Mbps. It features a software-configurable input/output, allowing for flexible system design. The kit also includes a comprehensive set of software tools to help users quickly evaluate the performance of the AD74412R. The kit is ideal for industrial applications such as motor control, factory automation, and process control.
Specifications
Analog Devices Inc. technical specifications, attributes, parameters and parts with similar specifications to Analog Devices Inc. .
- TypeParameter
- Factory Lead Time8 Weeks
- Part StatusActive
- Moisture Sensitivity Level (MSL)Not Applicable
- RoHS StatusROHS3 Compliant
0 Similar Products Remaining
Technical Documents
Associated Products
| Part Number | Manufacturer | Description | Stock | RFQ |
|---|---|---|---|---|
| Silicon Labs | MCU 8-bit C8051F32x 8051 CISC 16KB Flash 3.3V 28-Pin QFN EP | 316 | RFQ | |
| Texas Instruments | TEXAS INSTRUMENTS LM340MP-5.0/NOPB. LINEAR REG, FIXED, 5V, 1A, SOT-223-4, FULL REEL | 3500 | RFQ | |
| Silicon Labs | 8-bit Microcontrollers - MCU 16KB USB | 1395 | RFQ | |
| ON Semiconductor | LED DRIVER, 16CH, CONSTANT, 24TSSOP | 30 | RFQ |


Product
Brand
Articles
Tools















