Analog Devices Inc. EVAL-ADE9000EBZADE9000 EVALUATION BOARD
Description
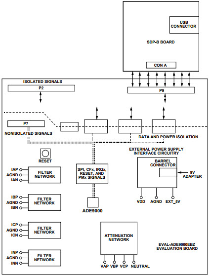
The Analog Devices EVAL-ADE9000EBZ Evaluation Board is designed to evaluate the ADE9000 High Performance, Multiphase Energy, Power Quality Monitoring IC. This board provides a comprehensive platform for evaluating the features and performance of the ADE9000 IC. It includes a wide range of instrumentation and measurement capabilities, including voltage and current sensing, power factor measurement, harmonic analysis, and energy metering. The board also includes a USB interface for easy connection to a PC, allowing for easy data logging and analysis. The board is ideal for applications such as power quality monitoring, energy management, and motor control.
Specifications
Analog Devices Inc. technical specifications, attributes, parameters and parts with similar specifications to Analog Devices Inc. .
- TypeParameter
- Lifecycle StatusPRODUCTION (Last Updated: 3 weeks ago)
- Factory Lead Time8 Weeks
- Number of Pins0
- Part StatusActive
- Moisture Sensitivity Level (MSL)1 (Unlimited)
- TypePower Management
- Base Part NumberADE9000
- FunctionEnergy/Power Meter
- Utilized IC / PartADE9000
- Supplied ContentsBoard(s)
- EmbeddedNo
- Secondary AttributesGraphical User Interface
- RoHS StatusNon-RoHS Compliant
0 Similar Products Remaining
Technical Documents
Associated Products
| Part Number | Manufacturer | Description | Stock | RFQ |
|---|---|---|---|---|
| Analog Devices Inc. | ANALOG DEVICES AD797BRZOperational Amplifier, Single, 110 MHz, 1 Amplifier, 20 V/s,5V to18V, SOIC, 8 Pins | 7 | RFQ | |
| Analog Devices Inc. | ANALOG DEVICES - AD797ARZ - Operational Amplifier, Single, 1 Amplifier, 110 MHz, 18 V/µs, ± 5V to ± 18V, SOIC, 8 Pins | 253 | RFQ | |
| Analog Devices Inc. | IC ADC 12BIT SAR 2CHAN 14TSSOP | 1606 | RFQ | |
| Analog Devices Inc. | Microphone Preamplifiers Ultralow Distortion Ultralow Noise | 6000 | RFQ | |
| Analog Devices Inc. | OP Amp Single GP ±18V 8-Pin SOIC N T/R | 0 | RFQ | |
| Analog Devices Inc. | ANALOG DEVICES AD797ANZOperational Amplifier, Single, 110 MHz, 1 Amplifier, 20 V/s,5V to18V, DIP, 8 Pins | 6000 | RFQ | |
| Analog Devices Inc. | IC OPAMP GP 110MHZ 8SOIC | 30000 | RFQ | |
| Analog Devices Inc. | Microphone Preamplifiers Ultralow Distortion Ultralow Noise | 3000 | RFQ | |
| Analog Devices Inc. | Single ADC SAR 500ksps 13-bit Serial 14-Pin TSSOP T/R | 3000 | RFQ | |
| Analog Devices Inc. | ANALOG DEVICES AD780ARZ. Voltage Reference IC | 2889 | RFQ | |
| Analog Devices Inc. | IC VREF SERIES/SHUNT PROG 8SOIC | 28 | RFQ |
Load more


Product
Brand
Articles
Tools














