Analog Devices Inc. EVAL-ADPD1080Z-PRXADPD1080 SUPPORT BOARD
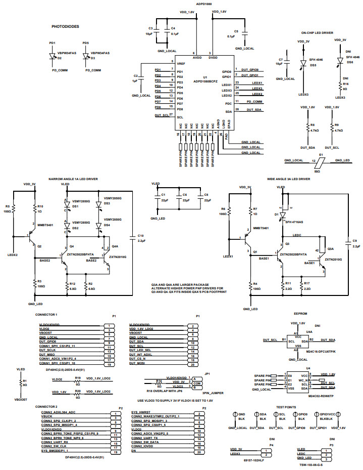
The Analog Devices EVAL-ADPD1080Z-PRX Evaluation Kit is designed to evaluate the ADPD1080 Long Range Proximity Sensor, an industrial proximity sensor. This kit includes a USB-based evaluation board, a USB cable, and a software package. The ADPD1080 is a low-power, long-range proximity sensor that can detect objects up to 10 meters away. It is ideal for industrial applications such as access control, security, and asset tracking. The evaluation board allows users to quickly and easily evaluate the performance of the ADPD1080. The software package includes a GUI, API, and example code to help users get started quickly. The evaluation board also includes a variety of features such as adjustable gain, adjustable LED current, and adjustable LED pulse width. This evaluation kit is a great tool for anyone looking to evaluate the performance of the ADPD1080 Long Range Proximity Sensor.
- TypeParameter
- Factory Lead Time8 Weeks
- Part StatusActive
- Moisture Sensitivity Level (MSL)1 (Unlimited)
- TypeInterface
- FunctionFront End
- Utilized IC / PartADPD1080
- Supplied ContentsBoard(s)
- Secondary AttributesGraphical User Interface
- RoHS StatusROHS3 Compliant
| Part Number | Manufacturer | Description | Stock | RFQ |
|---|---|---|---|---|
| Analog Devices Inc. | RF Transmitter ASK/FSK 2.5V/3.3V 24-Pin TSSOP T/R | 354 | RFQ | |
| Analog Devices Inc. | RF Transmitter ASK/FSK 2.5V/3.3V 24-Pin TSSOP T/R | 4000 | BUY | |
| Analog Devices Inc. | ANALOG DEVICES ADF7012BRUZ TRANSMITTER, ASK/FSK/GFSK, TSSOP24 | 585 | BUY |


Product
Brand
Articles
Tools













