Analog Devices Inc. EVAL-ADUC7036QSPZANALOG DEVICES EVAL-ADUC7036QSPZEvaluation Module, 16 / 32bit, Integrated Precision Battery Sensor, 96kB Flash/EE Memory
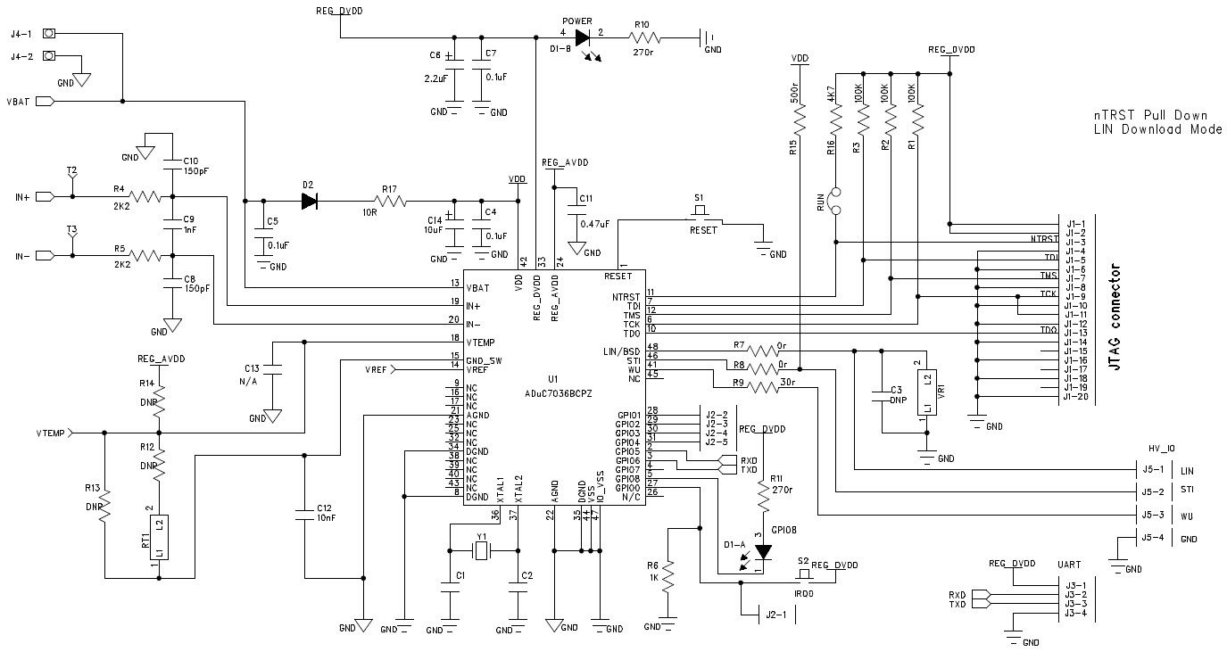
The Analog Devices EVAL-ADUC7036QSPZ Evaluation Board is designed to evaluate the performance of the ADUC7036 Integrated Precision Battery Sensor for Automotive System Power Management. This board features a wide range of features, including a high-precision voltage measurement, a low-power current measurement, and a temperature measurement. It also includes a wide range of protection features, such as over-voltage, over-current, and reverse-polarity protection. The board is designed to be used with the ADUC7036 Integrated Precision Battery Sensor, and it is capable of providing accurate and reliable measurements of battery voltage, current, and temperature. The board also includes a USB interface for easy connection to a PC, and it is compatible with a variety of software development tools.
- TypeParameter
- Lifecycle StatusPRODUCTION (Last Updated: 2 weeks ago)
- Factory Lead Time8 Weeks
- Mounting TypeFixed
- Package / CaseModule
- Number of Pins0
- SeriesMicroConverter®
- Part StatusActive
- Moisture Sensitivity Level (MSL)1 (Unlimited)
- TypeMCU 32-Bit
- Base Part NumberADUC7036
- Operating Supply Voltage3.6V
- InterfaceSerial, USB
- Core ProcessorARM7
- Data Bus Width32b
- Utilized IC / PartADuC7036
- Resolution2 B
- Evaluation KitYes
- Core ArchitectureARM
- ContentsBoard(s), Cable(s), Power Supply, Accessories, mIDAS-Link Programmer
- Board TypeEvaluation Platform
- Number of UART Channels1
- PlatformQuickStart™ PLUS
- REACH SVHCNo SVHC
- RoHS StatusROHS3 Compliant
- Lead FreeContains Lead
| Part Number | Manufacturer | Description | Stock | RFQ |
|---|---|---|---|---|
| Microchip Technology | IC REG BUCK ADJ 0.5A SYNC 8MSOP | 1556 | RFQ |


Product
Brand
Articles
Tools





