Analog Devices, Inc. EVAL-ADV7611EB1Z
Description
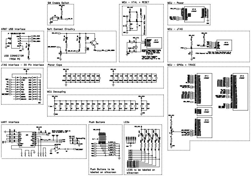
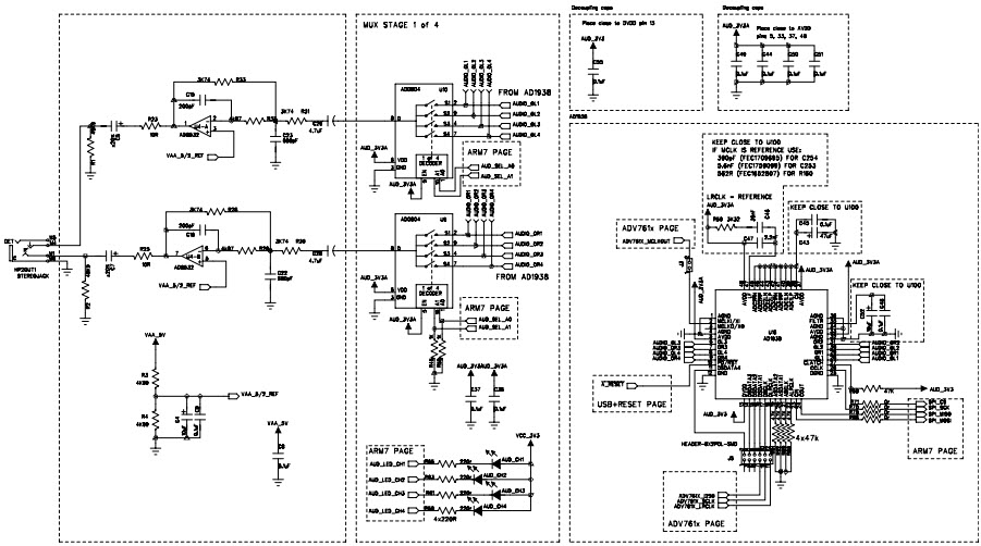
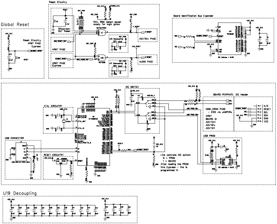
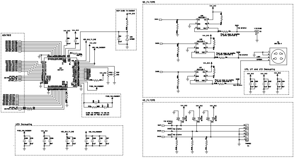
The Analog Devices EVAL-ADV7611EB1Z is an evaluation board based on the ADV7611 HDMI Receiver Consumer Electronics IC. It is designed to provide a platform for evaluating the features and performance of the ADV7611. The board includes a variety of connectors and components to enable the user to evaluate the ADV7611 in a variety of applications. It also includes a USB interface for programming and debugging. The board is capable of receiving and transmitting HDMI signals up to 1080p resolution. It also supports HDCP 1.4 and EDID 1.4. The board is ideal for evaluating the performance of the ADV7611 in consumer electronics applications.
Specifications
Analog Devices, Inc. technical specifications, attributes, parameters and parts with similar specifications to Analog Devices, Inc. .
- TypeParameter
- Lifecycle StatusPRODUCTION (Last Updated: 3 weeks ago)
- MountPCB
- Number of Pins0
- RoHS StatusRoHS Compliant
- Lead FreeContains Lead
0 Similar Products Remaining
Technical Documents
Associated Products
| Part Number | Manufacturer | Description | Stock | RFQ |
|---|---|---|---|---|
| Microchip | 8K X 8 I2C/2-WIRE SERIAL EEPROM, PDSO8, 4.40 MM, ROHS COMPLIANT, PLASTIC, TSSOP-8 | 0 | RFQ | |
| Microchip | 8K X 8 I2C/2-WIRE SERIAL EEPROM, PDSO8, 3.90 MM, ROHS COMPLIANT, PLASTIC, SOIC-8 | 0 | RFQ | |
| Analog Devices Inc. | OP Amp Dual GP R-R I/O 6V Automotive 8-Pin SOIC N T/R | 145 | RFQ | |
| ON Semiconductor | IC GATE AND 1CH 3-INP SC70-6 | 63168 | RFQ | |
| Microchip Technology | IC EEPROM 64K I2C 400KHZ 8DIP | 20000 | BUY | |
| Microchip Technology | MICROCHIP - 24LC64-I/ST - EEPROM, AEC-Q100, 64 Kbit, 8K x 8 bit, Seriell I2C (2-Draht), 400 kHz, TSSOP, 8 Pin(s) | 600 | RFQ | |
| Analog Devices Inc. | IC CODEC 24BIT 4ADC/8DAC 48LQFP | 8 | RFQ | |
| Microchip | 8K X 8 I2C/2-WIRE SERIAL EEPROM, PDSO8, 3.90 MM, ROHS COMPLIANT, PLASTIC, SOIC-8 | 1747 | BUY | |
| Microchip Technology | IC EEPROM 64K I2C 400KHZ 8SOIJ | 20000 | RFQ | |
| Microchip Technology | IC EEPROM 64KBIT 400KHZ 8SOIC | 22349 | RFQ | |
| ON Semiconductor | NC7SZ125 Series 5.5 V TinyLogic® UHS Single Buffer w/ 3-State Output-MICROPAK-6 | 4950 | RFQ | |
| Analog Devices Inc. | Analog Switch ICs CMOS Low VTG Dual SPDT | 2860 | BUY |
Load more


Product
Brand
Articles
Tools































