Analog Devices Inc. EVAL-CN0159-EB1ZCN0159-EB1Z EvaluationBoard - More Details
Description
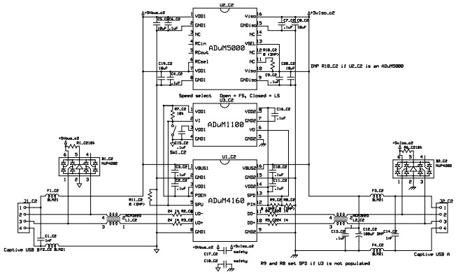
The Analog Devices EVAL-CN0159-EB1Z is a Universal Serial Bus (USB) Cable Isolator Circuit Evaluation Board based on the ADuM4160, Military and Aerospace Grade Isolator. This board is designed to provide a simple and easy way to evaluate the performance of the ADuM4160 isolator in a USB cable application. It features a USB Type-A connector on one side and a USB Type-B connector on the other, allowing for easy connection to a PC or other USB device. The board also includes a power supply and a set of jumpers to configure the isolator for different operating modes. The board is ideal for evaluating the performance of the ADuM4160 in a variety of applications, including industrial, medical, and military/aerospace applications.
Specifications
Analog Devices Inc. technical specifications, attributes, parameters and parts with similar specifications to Analog Devices Inc. .
- TypeParameter
- Lifecycle StatusPRODUCTION (Last Updated: 1 week ago)
- Factory Lead Time8 Weeks
- Number of Pins0
- Part StatusActive
- Moisture Sensitivity Level (MSL)1 (Unlimited)
- Connector TypeUSB
- TypeInterface
- FunctionIsolator USB Cable
- Operating Supply Voltage5V
- InterfaceUSB
- Utilized IC / PartADuM1100, ADuM4160, ADuM5000
- Supplied ContentsBoard(s)
- Evaluation KitYes
- EmbeddedNo
- REACH SVHCNo SVHC
- Radiation HardeningNo
- RoHS StatusROHS3 Compliant
- Lead FreeContains Lead
0 Similar Products Remaining
Technical Documents
Associated Products
| Part Number | Manufacturer | Description | Stock | RFQ |
|---|---|---|---|---|
| Microchip Technology | IC EEPROM 64K I2C 400KHZ 8TDFN | 7417 | RFQ | |
| Analog Devices Inc. | IC TRANSCEIVER FULL 2/2 16SOIC | 590 | RFQ | |
| Analog Devices Inc. | IC TRANSCEIVER FULL 2/2 16DIP | 9000 | RFQ | |
| Analog Devices Inc. | IC TRANSCEIVER FULL 2/2 16SOIC | 8790 | RFQ | |
| Microchip Technology | 24LC64 Series 64-Kbit (8 K x 8) 400 kHz I2C Serial EEPROM - SOIJ-8 | 7630 | BUY | |
| Microchip Technology | 24LC64 Series 64 Kb I2C 2 Wire (8K X 8) 2.5 V Serial EEPROM SMT - SOIJ-8 | 7000 | RFQ | |
| Microchip Technology | EEPROM 8kx8 - 2.5V | 7500 | BUY | |
| Microchip Technology | MICROCHIP - 24LC64T-I/MC - SERIAL EEPROM, 64KBIT, 400KHZ, DFN-8 | 30074 | BUY | |
| Microchip Technology | MICROCHIP - 24LC64T-I/SN - EEPROM, AEC-Q100, 64 Kbit, 8K x 8 bit, Seriell I2C (2-Draht), 400 kHz, SOIC, 8 Pin(s) | 13200 | RFQ | |
| Analog Devices Inc. | ANALOG DEVICES - TMP36GRTZ-REEL7 - Temperature Sensor IC, Voltage, ± 3°C, -40 °C, 125 °C, SOT-23, 5 Pins | 73 | RFQ | |
| Analog Devices Inc. | IC TXRX RS-232 5V HI-SP 16SOIC | 120 | RFQ | |
| ON Semiconductor | Inverter 1-Element CMOS 6-Pin MicroPak W T/R | 2975 | BUY |
Load more


Product
Brand
Articles
Tools



















