Share
Arduino A000079ARDUINO A000079L298, MOTOR CONTROL, ARDUINO SHIELD
Description
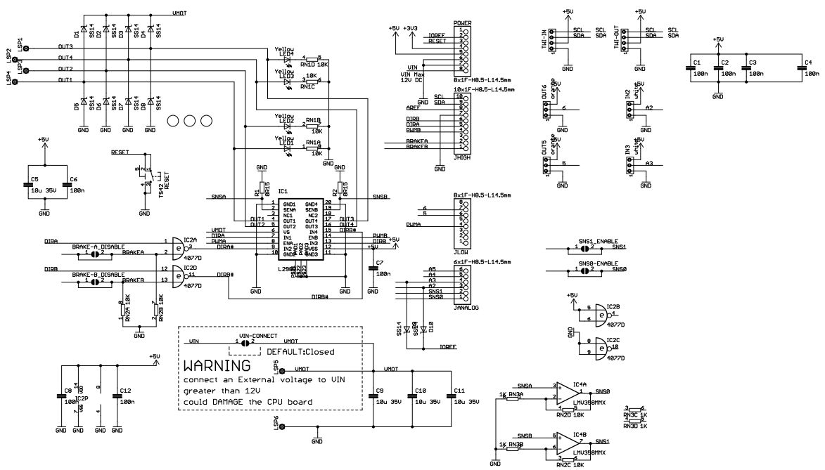
Arduino Corporation A000079-A000079, A000079, Arduino Motor Shield is a motor control shield based on the L298P Dual Full-Bridge Driver. It is designed to drive inductive loads such as relays, solenoids, DC and stepping motors. It features a wide range of features such as adjustable current limiting, over-current protection, and PWM speed control. It is also compatible with Arduino boards and can be used to control motors with ease. The shield is easy to use and provides a reliable and efficient way to control motors.
Specifications
Arduino technical specifications, attributes, parameters and parts with similar specifications to Arduino .
- TypeParameter
- Factory Lead Time3 Weeks
- Weight9.071847g
- Published2000
- Part StatusActive
- Moisture Sensitivity Level (MSL)1 (Unlimited)
- TypePower Management
- FunctionMotor Controller/Driver
- Output Voltage12V
- Output Current4A
- Utilized IC / PartL298
- Evaluation KitYes
- ContentsBoard(s)
- PlatformArduino
- Height38.1mm
- Length76.2mm
- Width63.5mm
- REACH SVHCUnknown
- RoHS StatusRoHS Compliant
0 Similar Products Remaining
Technical Documents
Associated Products
| Part Number | Manufacturer | Description | Stock | RFQ |
|---|---|---|---|---|
| NXP USA Inc. | RF Transceiver ASK/FSK/GFSK 2.7V 32-Pin HVQFN EP | 10000 | BUY |


Product
Brand
Articles
Tools











