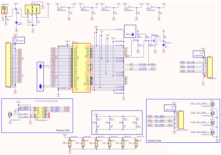
CEL THEVA215-V2THCV215 EVALUATION BOARD
The California Eastern Laboratories THEVA215-V2 Evaluation Board is a comprehensive solution for testing and evaluating the THCV215 Video Data Receiver, Audio Data Receiver, and Video Data Transmitter. This evaluation board is designed to provide a complete platform for testing and evaluating the performance of the THCV215 Video Data Receiver, Audio Data Receiver, and Video Data Transmitter. It features a wide range of features, including a high-speed USB 2.0 interface, a high-speed Ethernet port, and a variety of video and audio connectors. The board also includes a variety of test points and jumpers for easy debugging and troubleshooting. The board also includes a comprehensive set of software tools for testing and evaluating the performance of the THCV215 Video Data Receiver, Audio Data Receiver, and Video Data Transmitter. The board is designed to be used in a variety of applications, including automotive, consumer electronics, and industrial applications.
- TypeParameter
- Factory Lead Time10 Weeks
- SeriesTHine® V-by-One®HS
- Part StatusActive
- Moisture Sensitivity Level (MSL)1 (Unlimited)
- TypeInterface
- FunctionLVDS to V-by-One®HS
- Utilized IC / PartTHCV215
- Supplied ContentsBoard(s)
- Evaluation KitYes
- RoHS StatusROHS3 Compliant
| Part Number | Manufacturer | Description | Stock | RFQ |
|---|---|---|---|---|
| Microchip Technology | Clock Divider 1-IN LVDS 16-Pin MLF EP | 2 | BUY | |
| Microchip Technology | IC CLK BUFFER 1:2 2GHZ 16MLF | 0 | BUY |


Product
Brand
Articles
Tools









