Cooper Everest-DEV-BoardMPF300TS-1FCG1152I FPGA Evaluation Board 3GB RAM 128MB/128MB SPI Flash
Description
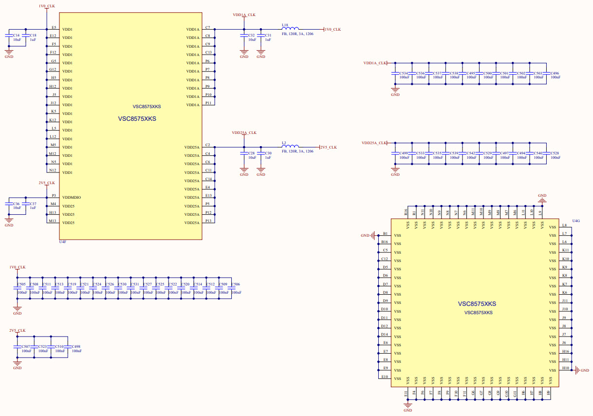
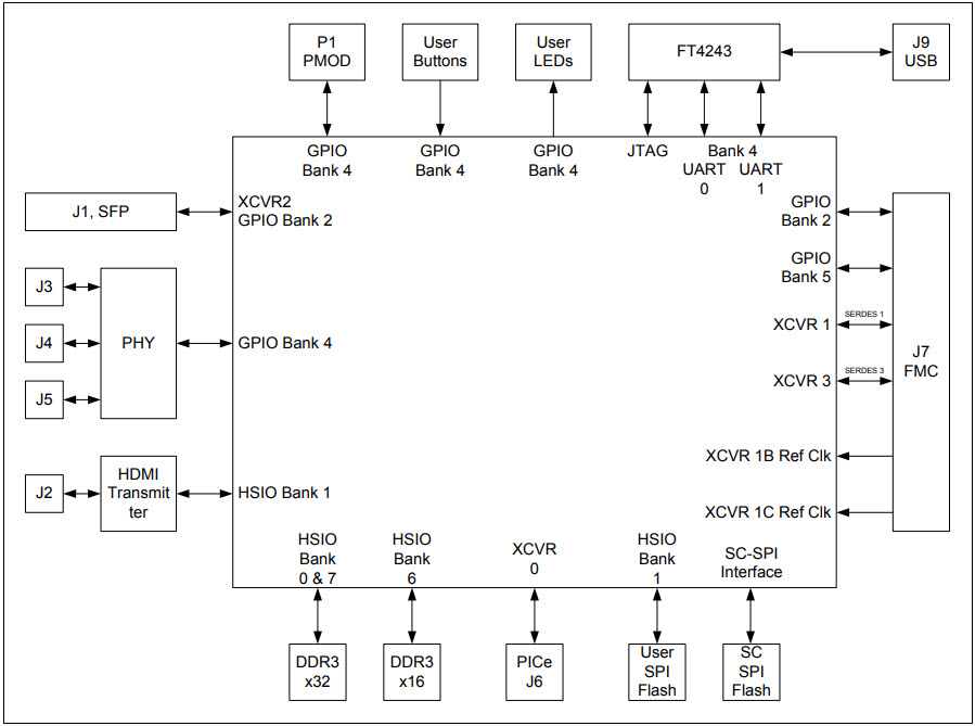
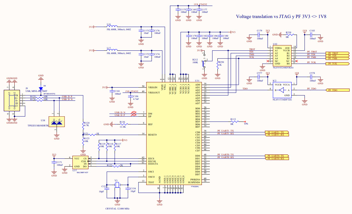
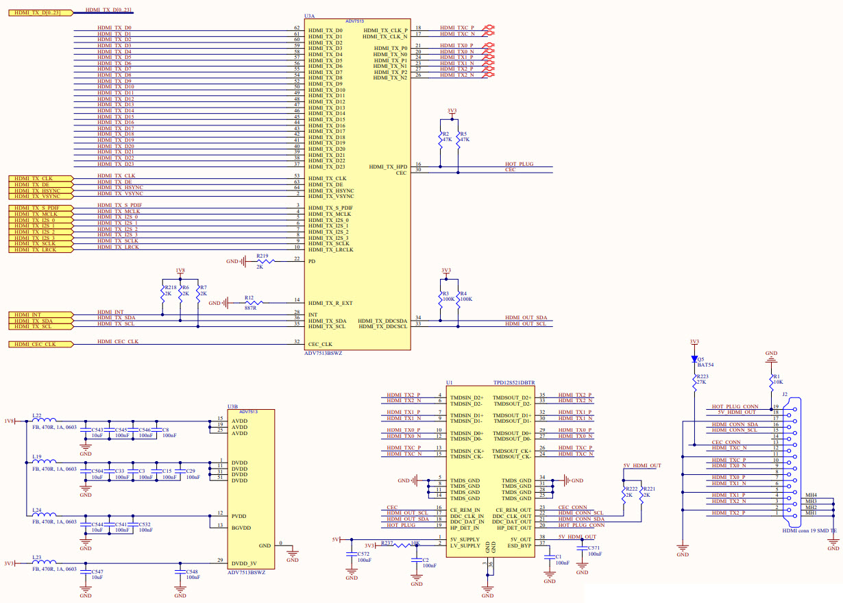
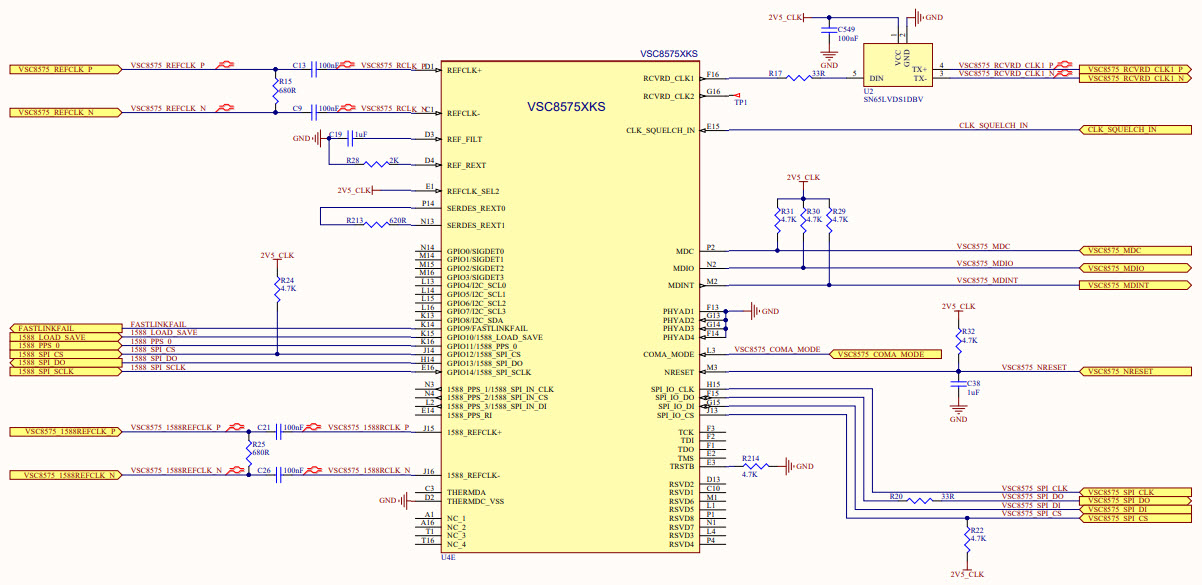
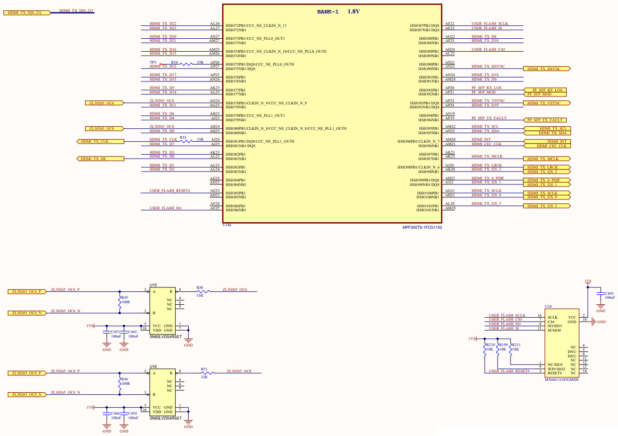
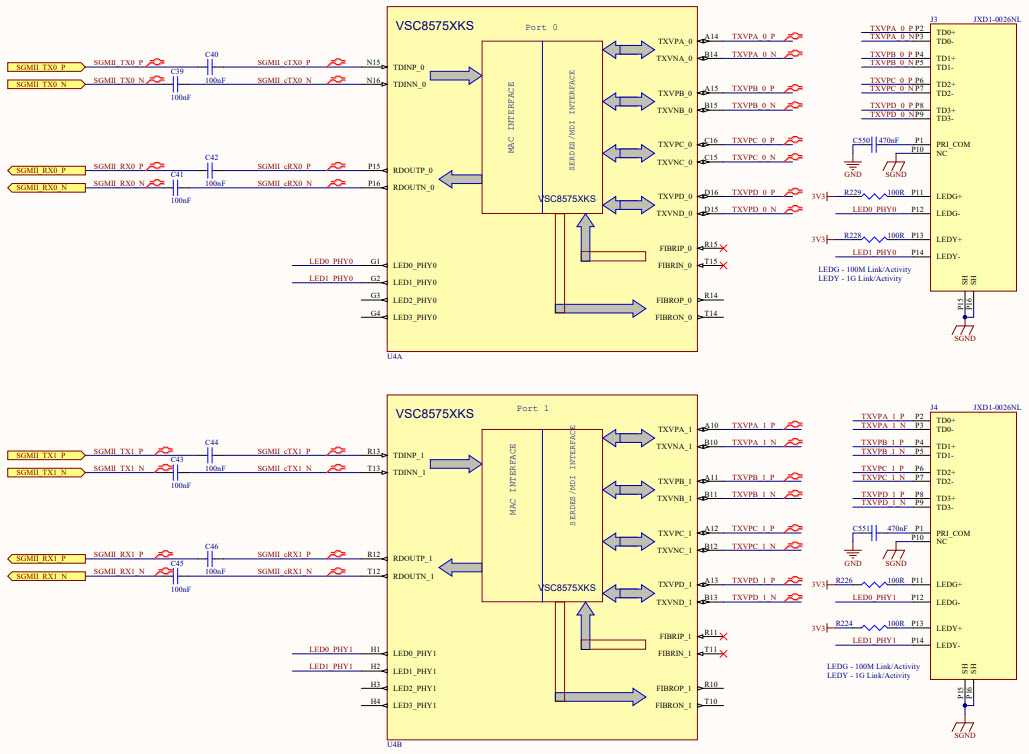
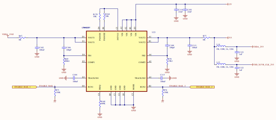
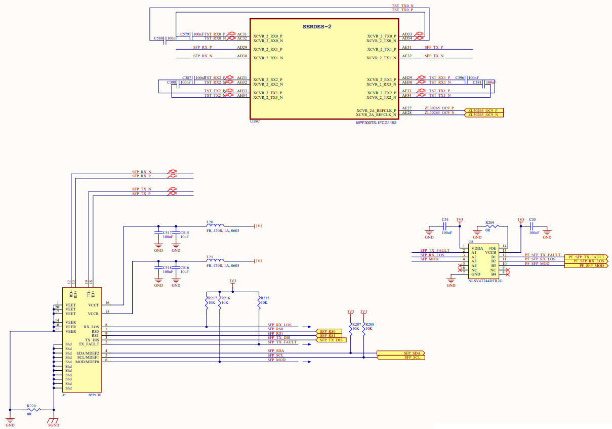
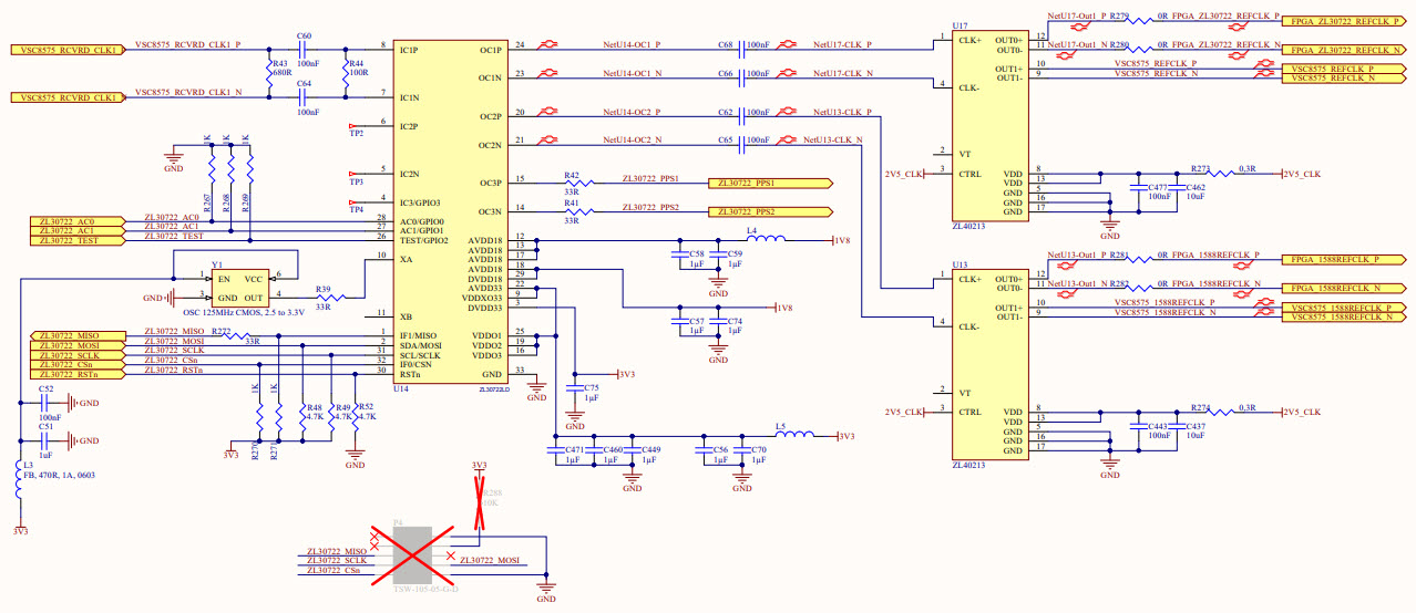
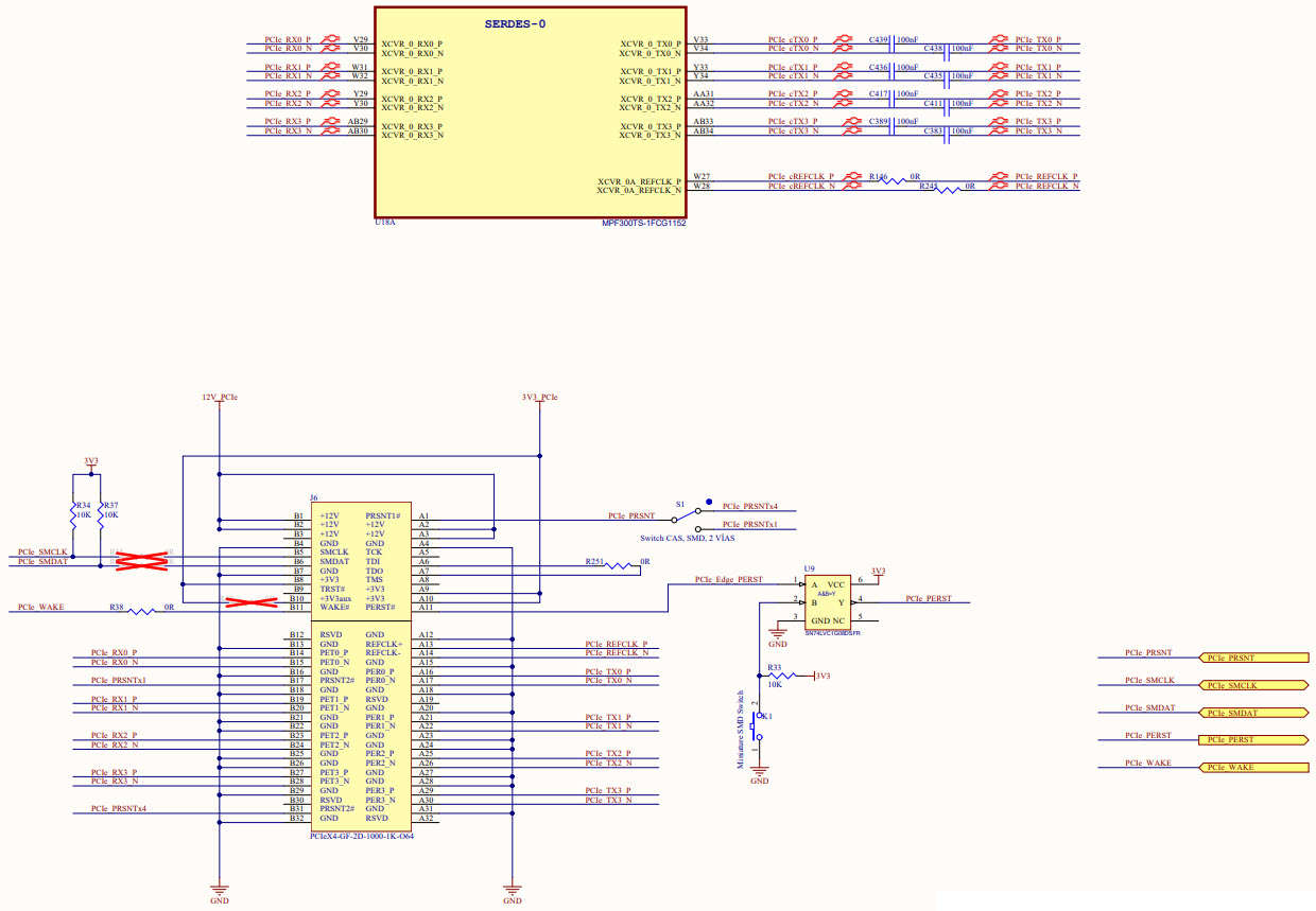
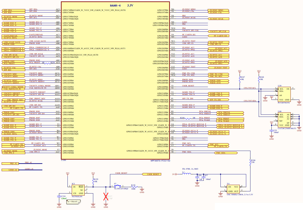
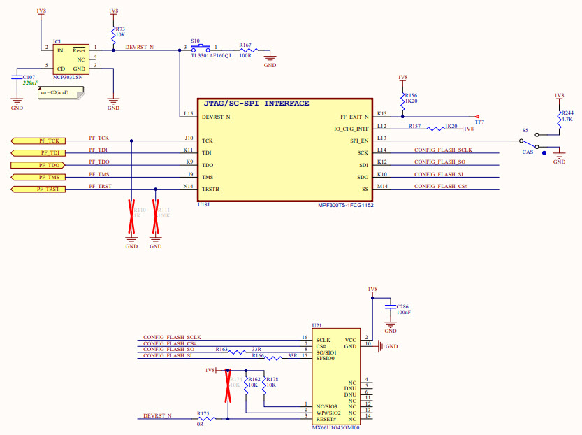
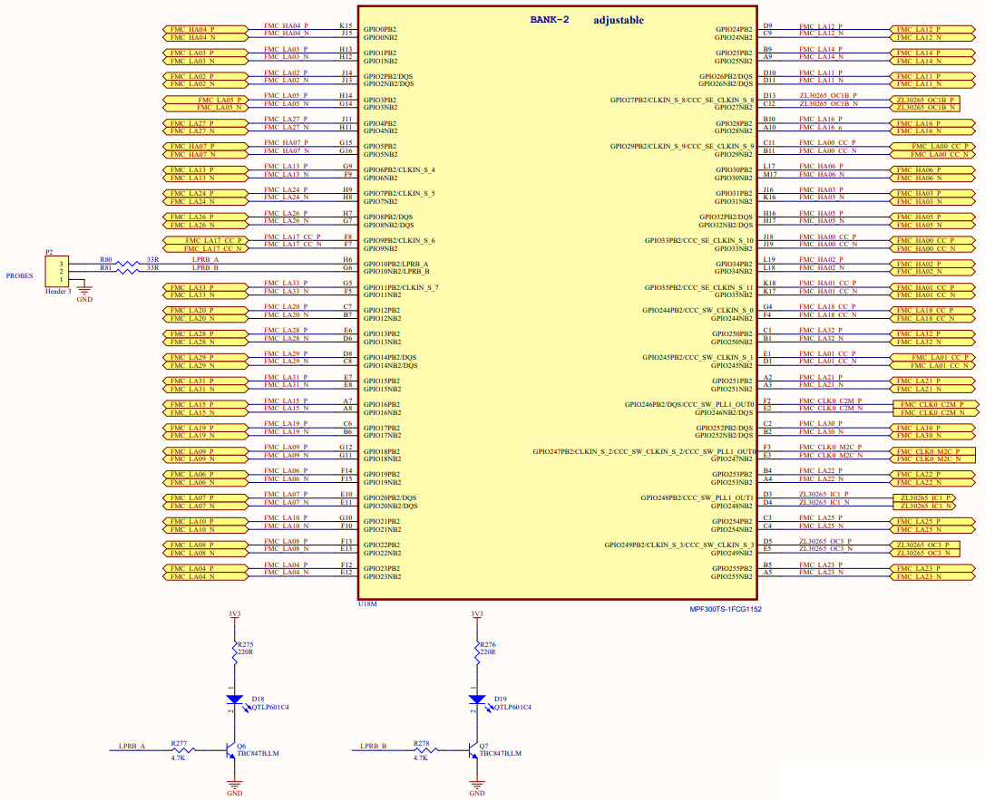
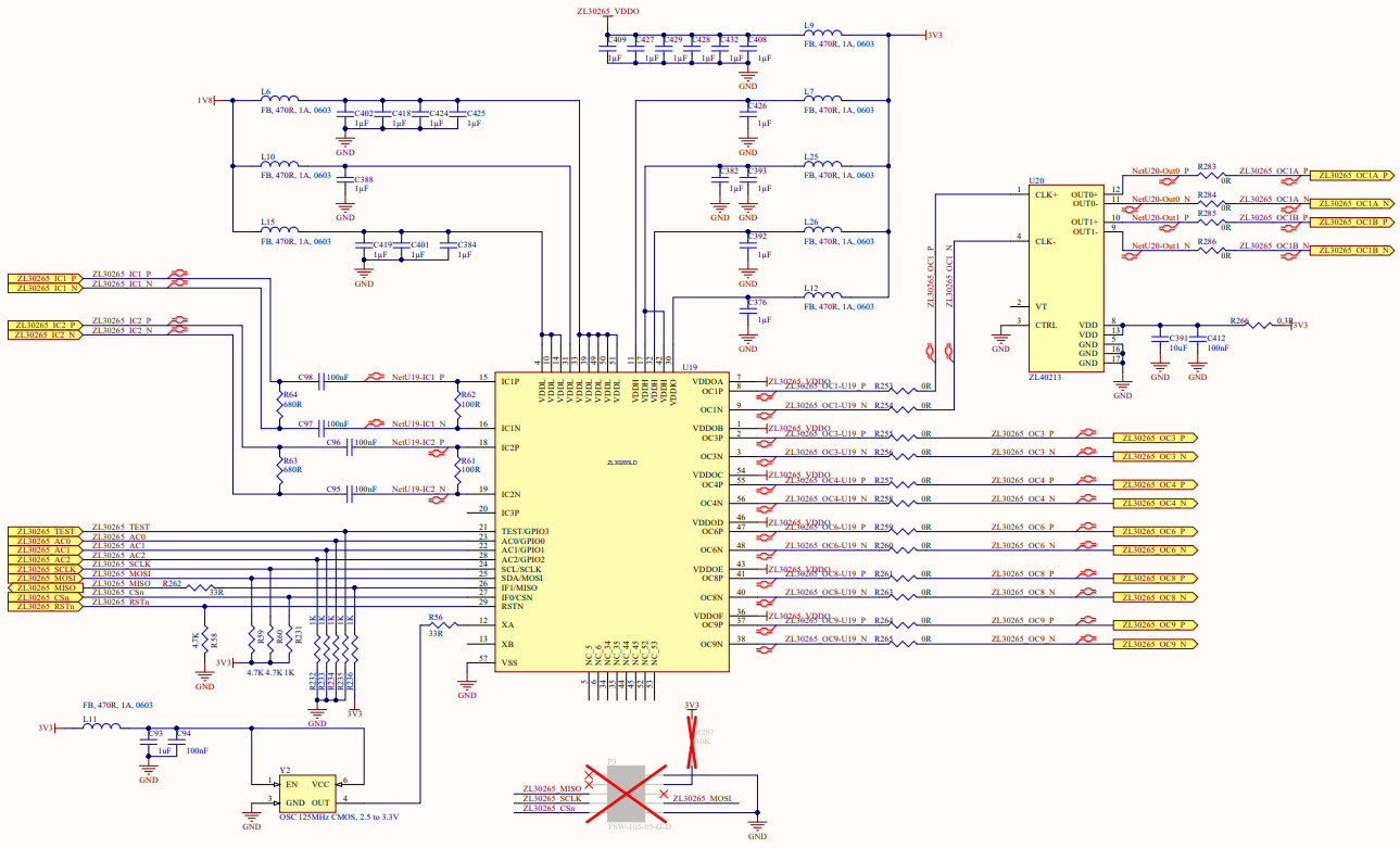
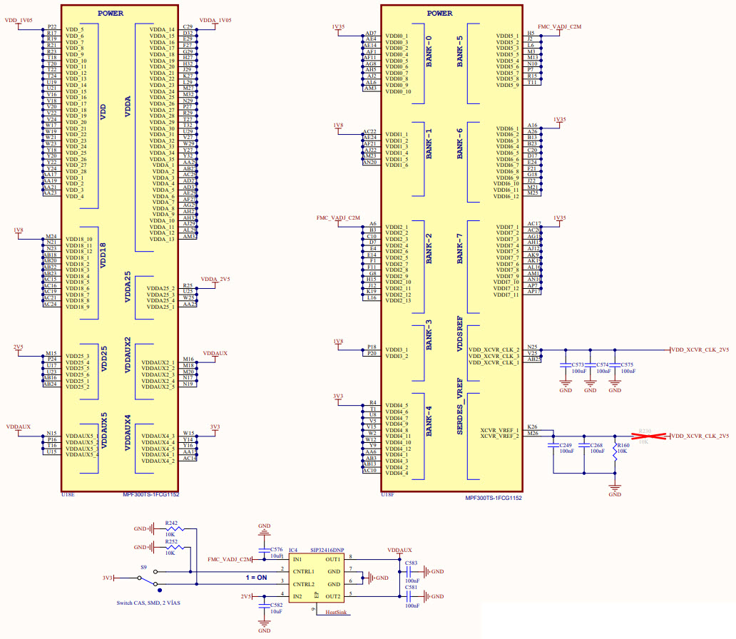
The Arrow Development Tools Everest-DEV-Board is a powerful development board designed for automotive and transportation applications. It features a PolarFire FPGA MPF300TS, which is a low-power, high-performance FPGA with a wide range of features and capabilities. The board also includes a variety of peripherals, such as Ethernet, USB, CAN, and UART, as well as a variety of I/O connectors. The board is designed to be used with the Arrow Development Tools software suite, which provides a comprehensive set of tools for developing and debugging applications. The board is also compatible with a variety of third-party development tools, making it an ideal platform for automotive and transportation applications.


Product
Brand
Articles
Tools




















































































