Linear Technology/Analog Devices DC1079A-AEVAL BOARD FOR LTC4310-1
Description
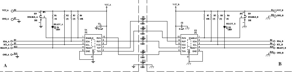
The Analog Devices DC1079A-A, LTC4310-1 Demo board is a hot-swappable I2C isolator and power management IC designed to provide reliable and efficient power management for a variety of applications. It features a wide input voltage range of 4.5V to 28V, and can provide up to 1.5A of continuous current. The board also includes a variety of protection features, such as over-voltage, over-current, and short-circuit protection. Additionally, the board is designed to be hot-swappable, allowing for easy installation and removal without the need to power down the system. The LTC4310-1 Demo board is an ideal solution for applications requiring reliable and efficient power management.
Specifications
Linear Technology/Analog Devices technical specifications, attributes, parameters and parts with similar specifications to Linear Technology/Analog Devices .
- TypeParameter
- Lifecycle StatusPRODUCTION (Last Updated: 1 month ago)
- Factory Lead Time8 Weeks
- Number of Pins0
- Published2010
- Part StatusActive
- Moisture Sensitivity Level (MSL)1 (Unlimited)
- TypeInterface
- Base Part NumberLTC4310
- FunctionI2C Bus Buffer
- Operating Supply Voltage5.5V
- Utilized IC / PartLTC4310-1
- Supplied ContentsBoard(s)
- Evaluation KitYes
- Primary AttributesIsolated
- EmbeddedNo
- FeaturesI2C
- Length48mm
- REACH SVHCNo SVHC
- RoHS StatusROHS3 Compliant
0 Similar Products Remaining
Technical Documents


Product
Brand
Articles
Tools







