Linear Technology/Analog Devices DC1464AEVAL BOARD FOR LTC6412
Description
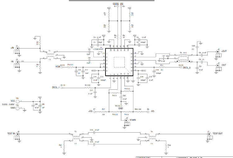
The Analog Devices DC1464A-A, LTC6412 Demo Board is a powerful and versatile tool for communications and telecom applications. It features an 800 MHz, 31dB range analog-controlled VGA, allowing for precise control of signal levels. The board also includes a wide range of features, such as a low-noise amplifier, a high-speed ADC, and a wideband RF switch. This makes it ideal for applications such as cellular base stations, wireless backhaul, and satellite communications. The board is also designed to be easy to use, with a simple user interface and intuitive controls. With its wide range of features and capabilities, the Analog Devices DC1464A-A, LTC6412 Demo Board is an ideal choice for communications and telecom applications.
Specifications
Linear Technology/Analog Devices technical specifications, attributes, parameters and parts with similar specifications to Linear Technology/Analog Devices .
- TypeParameter
- Factory Lead Time8 Weeks
- PackagingBox
- Published2009
- Part StatusActive
- Moisture Sensitivity Level (MSL)1 (Unlimited)
- Base Part NumberLTC6412
- Output TypeDifferential
- Amplifier TypeVariable Gain
- Voltage - Supply, Single/Dual (±)3V~3.6V
- Utilized IC / PartLTC6412
- Supplied ContentsBoard(s)
- -3db Bandwidth800MHz
- Board TypeFully Populated
- Channels per IC1 - Single
- Current - Supply (Main IC)110mA
- RoHS StatusROHS3 Compliant
0 Similar Products Remaining
Technical Documents


Product
Brand
Articles
Tools






