Linear Technology/Analog Devices DC1613AINTERFACE MOD FOR LTPOWERPLAY
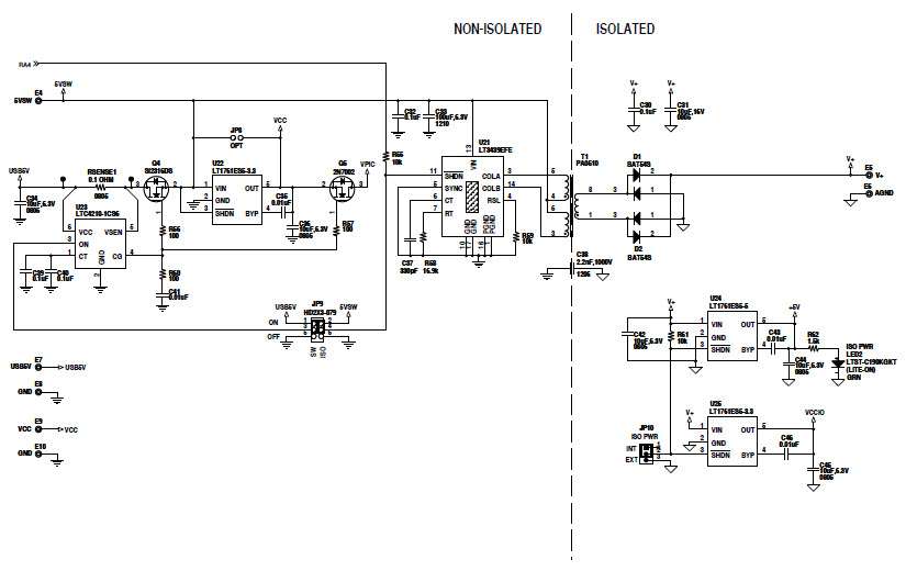
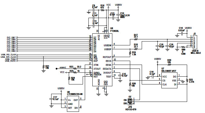
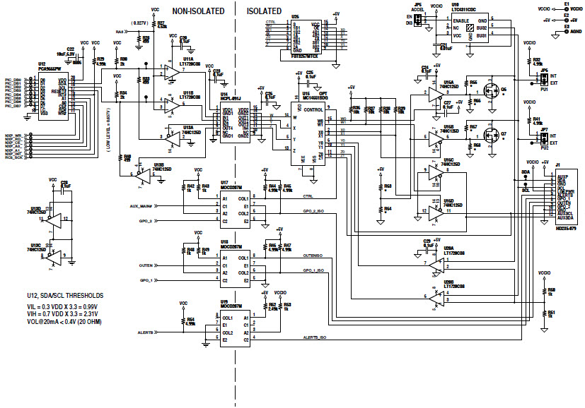
The Analog Devices DC1613A-A I2C/SMBUS/PMBUS Controller Demo Board is a consumer electronics device designed to provide a comprehensive demonstration of the capabilities of the Analog Devices I2C/SMBUS/PMBUS controllers. It features a wide range of features, including a graphical user interface, a variety of I2C/SMBUS/PMBUS communication protocols, and a range of power management functions. The board is designed to be used in a variety of applications, including industrial, automotive, and consumer electronics. It is also suitable for use in a variety of development environments, including embedded systems, microcontrollers, and FPGAs. The board is easy to use and provides a comprehensive demonstration of the capabilities of the Analog Devices I2C/SMBUS/PMBUS controllers.
- TypeParameter
- Factory Lead Time8 Weeks
- Lifecycle StatusPRODUCTION (Last Updated: 3 weeks ago)
- Package / CaseModule
- Number of Pins0
- Published2000
- Part StatusActive
- Moisture Sensitivity Level (MSL)1 (Unlimited)
- Accessory TypeInterface Module with Cable
- FeaturesI2C, PMBus
- REACH SVHCNo SVHC
- RoHS StatusNon-RoHS Compliant
| Part Number | Manufacturer | Description | Stock | RFQ |
|---|---|---|---|---|
| Microchip Technology | EL Lamp DRVR 5V 8-Pin MSOP | 47 | BUY | |
| Microchip Technology | GLOVE, POLYAMIDE, L/FREE, PU, SIZE 6 - More Details | 858 | BUY | |
| Microchip Technology | EL Lamp DRVR 5V 8-Pin MSOP | 2370 | BUY | |
| Microchip Technology | Display Drivers & Controllers Low Noise High Voltage EL Lamp | 1270 | BUY |


Product
Brand
Articles
Tools
















