Linear Technology/Analog Devices DC1880ABOARD EVAL LTC2874
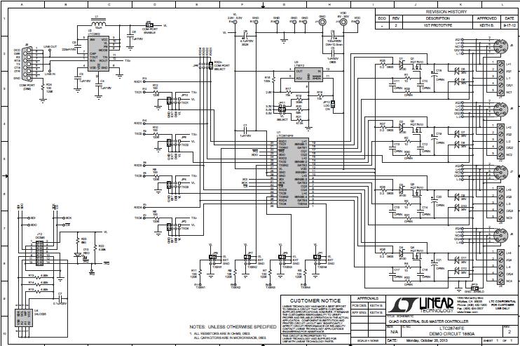
The Analog Devices DC1880A-A, DC1880A, Demo Board is a powerful and versatile development platform for industrial Ethernet applications. It is based on the LTC2874 Quad IO-Link Master Hot-Swap Power Controller and PHYL, Industrial Ethernet PHY. This board provides a complete solution for IO-Link and Ethernet communication, allowing users to quickly and easily develop and test their applications. The board features four IO-Link ports, two Ethernet ports, and a USB port for programming and debugging. It also includes a variety of on-board components, such as LEDs, switches, and jumpers, to facilitate development and testing. The board is designed to be used with the LTC2874 Quad IO-Link Master Hot-Swap Power Controller and PHYL, Industrial Ethernet PHY, and is ideal for applications such as industrial automation, factory automation, and process control.
- TypeParameter
- Lifecycle StatusPRODUCTION (Last Updated: 3 weeks ago)
- Factory Lead Time8 Weeks
- Number of Pins0
- Published2013
- Part StatusActive
- Moisture Sensitivity Level (MSL)1 (Unlimited)
- TypePower Management
- FunctionHot Swap Controller
- Utilized IC / PartLTC2874
- Supplied ContentsBoard(s)
- Evaluation KitYes
- Primary Attributes4-Channel (Quad)
- EmbeddedNo
- REACH SVHCNo SVHC
- RoHS StatusROHS3 Compliant


Product
Brand
Articles
Tools






