Linear Technology/Analog Devices DC2228A8-PORT IO-LINK MASTER REF DESIGN
Description
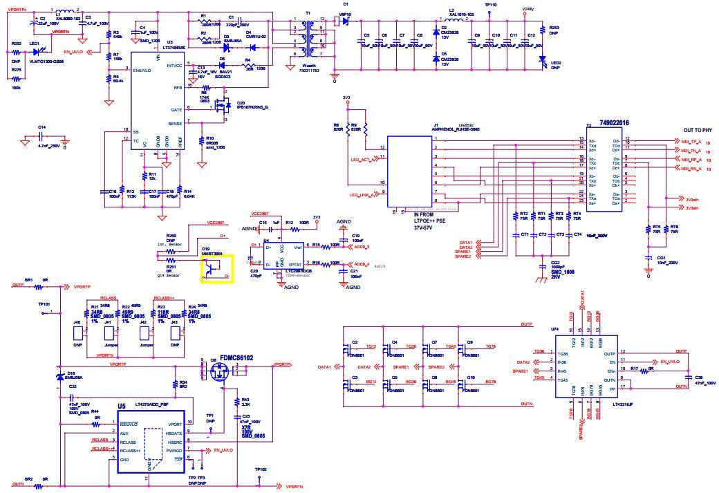
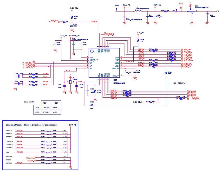
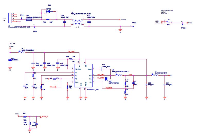
The Analog Devices DC2228A-A, DC2228A, 8-Port IO-Link Master Demo Board is a comprehensive demonstration platform for industrial automation applications. It includes the LTC2874, LT4275A and IO-Link v1.1 Protocol Stack and Control tool, allowing users to quickly and easily evaluate IO-Link technology. The board features 8 IO-Link ports, allowing for connection of up to 8 IO-Link devices. It also includes a USB interface for easy connection to a PC, as well as a power supply and a variety of other components. The board is designed to provide a comprehensive demonstration of IO-Link technology, allowing users to quickly and easily evaluate the technology and its potential applications.
Specifications
Linear Technology/Analog Devices technical specifications, attributes, parameters and parts with similar specifications to Linear Technology/Analog Devices .
- TypeParameter
- Factory Lead Time8 Weeks
- Published2012
- Part StatusActive
- Moisture Sensitivity Level (MSL)1 (Unlimited)
- TypeInterface
- FunctionTransceiver, IO-Link®
- Utilized IC / PartLT4275A, LTC2874
- Supplied ContentsBoard(s)
- Primary Attributes8-Channel (Octal)
- EmbeddedNo
- Secondary AttributesOn-Board LEDs
- RoHS StatusROHS3 Compliant
0 Similar Products Remaining
Technical Documents
Associated Products
| Part Number | Manufacturer | Description | Stock | RFQ |
|---|---|---|---|---|
| Micro Crystal AG | Crystal Resonator 0.032768MHz ±20ppm (Tol) 9pF Flexural 65000Ohm Automotive 2-Pin CSMD T/R | 20 | BUY | |
| Micro Crystal AG | Crystal Resonator 0.032768MHz ±20ppm (Tol) 7pF Flexural 65000Ohm 2-Pin CSMD T/R | 5418 | BUY | |
| Micro Crystal AG | Crystal Resonator 0.032768MHz ±10ppm (Tol) 9pF Flexural 65000Ohm 2-Pin CSMD T/R | 16 | BUY | |
| Analog Devices, Inc. | 0 | RFQ | ||
| NXP USA Inc. | IC MCU 32BIT 1MB FLASH 256LBGA | 90 | RFQ | |
| Micro Crystal AG | Crystal Resonator 0.032768MHz ±20ppm (Tol) 9pF Flexural 65000Ohm Automotive 2-Pin CSMD T/R | 50 | BUY | |
| Micro Crystal AG | Crystal Resonator 0.032768MHz ±20ppm (Tol) 10pF Flexural 65000Ohm 2-Pin CSMD T/R | 0 | RFQ | |
| Micro Crystal AG | Crystal Resonator 0.032768MHz ±100ppm (Tol) 9pF Flexural 65000Ohm 2-Pin CSMD T/R | 50 | BUY |


Product
Brand
Articles
Tools

























