Linear Technology/Analog Devices DC2040ALTC3355EUF DEMO BOARD - 12V TO 4
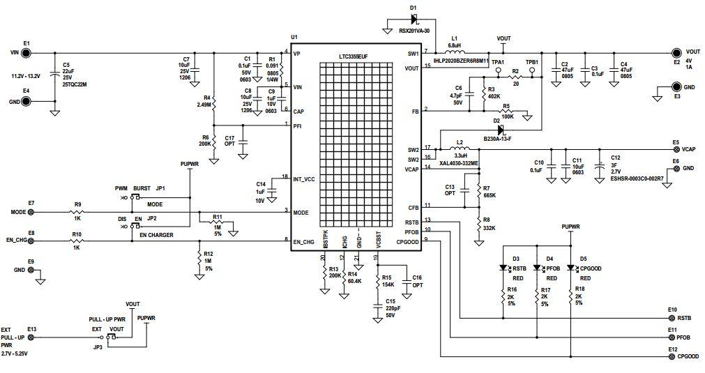
The Analog Devices DC2040A-A Demonstration Board is a versatile and powerful consumer electronics solution. It features the LTC3355EUF 20V 1A Buck DC/DC with Integrated SCAP Charger and Backup Regulator, allowing for efficient and reliable power management. The board is designed to provide a comprehensive demonstration of the features and capabilities of the LTC3355EUF, making it an ideal choice for consumer electronics applications. It is capable of providing up to 20V and 1A of power, and can be used to power a variety of devices, including smartphones, tablets, and other consumer electronics. The board also includes a backup regulator, allowing for reliable power even in the event of a power outage. With its robust design and versatile features, the Analog Devices DC2040A-A Demonstration Board is an ideal choice for consumer electronics applications.
- TypeParameter
- Factory Lead Time8 Weeks
- Voltage-Input11.2V~13.2V
- Part StatusActive
- Moisture Sensitivity Level (MSL)1 (Unlimited)
- Current - Output1A
- Voltage - Output4V
- Utilized IC / PartLTC3355
- Supplied ContentsBoard(s)
- Board TypeFully Populated
- Main PurposeDC/DC, Step Down
- Outputs and Type1, Non-Isolated
- Regulator TopologyBuck
- RoHS StatusROHS3 Compliant
| Part Number | Manufacturer | Description | Stock | RFQ |
|---|---|---|---|---|
| Microchip Technology | MICROCHIP - 24LC32A-I/ST - SERIAL EEPROM, 32KBIT, 400KHZ, TSSOP-8 | 1 | RFQ |


Product
Brand
Articles
Tools









