Linear Technology/Analog Devices DC2100B-CEVAL LTC3300-1 LTC6804-2 LTC6820
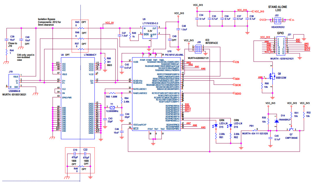
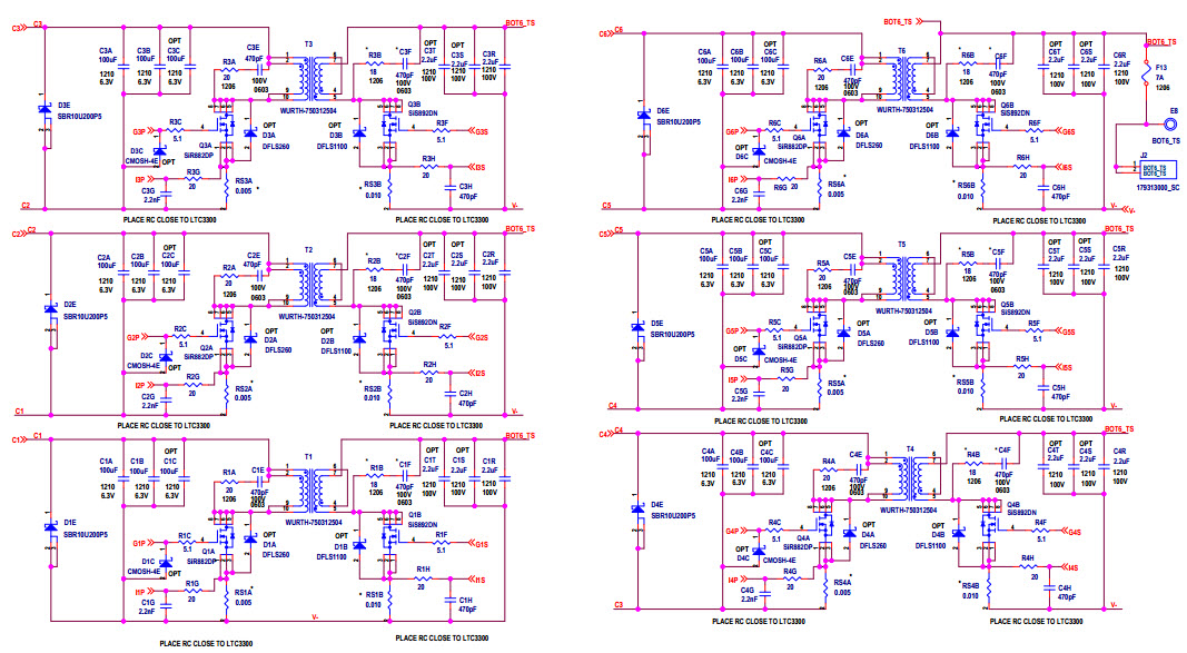
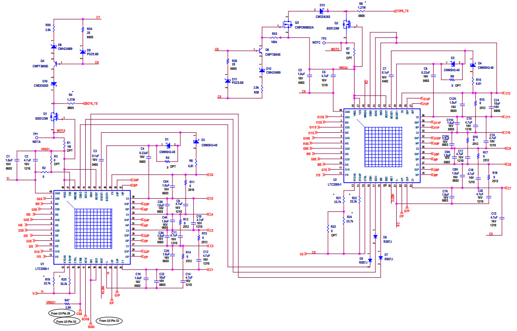
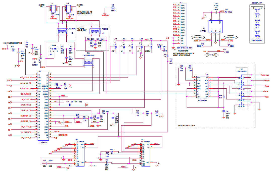
The Analog Devices DC2100B-C Demo Board is a powerful tool for evaluating and testing the performance of the LTC3300-1 and LTC6804-2 Battery Management and Power Management ICs. This board is designed to demonstrate the bidirectional cell balancing capabilities of the ICs, allowing users to easily evaluate the performance of the ICs in a variety of applications. The board features a wide range of features, including a high-efficiency buck-boost converter, a low-dropout linear regulator, and a high-side current sense amplifier. Additionally, the board includes a variety of connectors and jumpers to allow for easy connection to external components. The DC2100B-C Demo Board is an ideal tool for evaluating the performance of the LTC3300-1 and LTC6804-2 Battery Management and Power Management ICs.
- TypeParameter
- Lifecycle StatusPRODUCTION (Last Updated: 1 week ago)
- Factory Lead Time4 Weeks
- Number of Pins0
- Published2013
- Part StatusObsolete
- Moisture Sensitivity Level (MSL)1 (Unlimited)
- TypePower Management
- FunctionBattery Monitor
- Utilized IC / PartLTC3300-1, LTC6804-2, LTC6820
- Supplied ContentsBoard(s)
- Primary AttributesCell Balancer
- RoHS StatusNon-RoHS Compliant
| Part Number | Manufacturer | Description | Stock | RFQ |
|---|---|---|---|---|
| Microchip Technology | MICROCHIP - 24AA64T-I/OT - EEPROM, AEC-Q100, 64 Kbit, 8K x 8 bit, Seriell I2C (2-Draht), 400 kHz, SOT-23, 5 Pin(s) | 6000 | RFQ | |
| Analog Devices, Inc. | LDO Regulator Pos 3.3V 0.1A 5-Pin TSOT-23 | 0 | RFQ | |
| Analog Devices, Inc. | 0 | RFQ | ||
| Microchip Technology | IC MCU 8BIT 128KB FLASH 44QFN | 3 | RFQ | |
| ECS Inc. | CRYSTAL 12.0000MHZ 20PF SMD | 0 | BUY |


Product
Brand
Articles
Tools
























