Linear Technology/Analog Devices DC261A-ALT1795CSW - HIGH-SPEED MODEM, DI
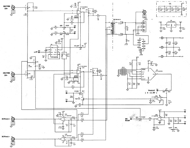
The Analog Devices DC261A-A Demo Board for the LT1795CSW High-Speed Modem, Differential Line Driver/Receiver is a versatile and powerful communications and telecom solution. This demo board is designed to demonstrate the features and capabilities of the LT1795CSW High-Speed Modem, Differential Line Driver/Receiver. It features a wide range of features, including a differential line driver/receiver, a high-speed modem, and a wide range of communications and telecom options. The board also includes a variety of connectors and jumpers for easy connection to other devices. The board is designed to be used in a variety of applications, including data communications, telecom, and industrial control. The board is also designed to be used in a variety of environments, including high-temperature, high-humidity, and high-voltage applications. The board is also designed to be used in a variety of applications, including data communications, telecom, and industrial control.
- TypeParameter
- Factory Lead Time8 Weeks
- Part StatusActive
- Moisture Sensitivity Level (MSL)1 (Unlimited)
- TypeInterface
- FunctionLine Driver and Receiver, ADSL
- Utilized IC / PartLT1795
- Supplied ContentsBoard(s)
- RoHS StatusROHS3 Compliant
| Part Number | Manufacturer | Description | Stock | RFQ |
|---|---|---|---|---|
| Analog Devices, Inc. | 105 | RFQ | ||
| Analog Devices, Inc. | 0 | RFQ |


Product
Brand
Articles
Tools



