Linear Technology/Analog Devices DC510ABOARD EVAL FOR LTC1697EMS
Description
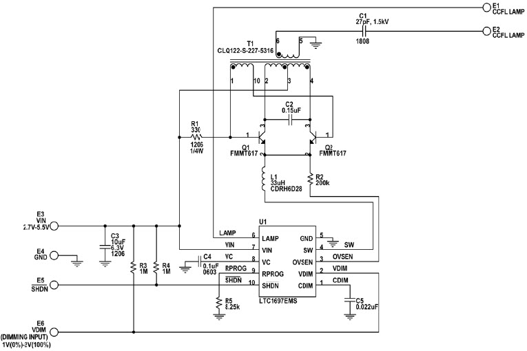
The Analog Devices DC510A-A, DC510A Demo Board is a military and aerospace grade demonstration board designed to showcase the capabilities of the LTC1697EMS 1 Watt CCFL Controller. This board is capable of operating with a Vin range of 2.7V to 5.5V, making it suitable for a variety of applications. It features a wide range of features, including a low-noise, high-efficiency power supply, a high-voltage DC-DC converter, and a high-voltage, high-current driver. The board also includes a variety of protection features, such as over-voltage, over-current, and short-circuit protection. This demo board is an ideal solution for demonstrating the capabilities of the LTC1697EMS 1 Watt CCFL Controller in a variety of applications.
Specifications
Linear Technology/Analog Devices technical specifications, attributes, parameters and parts with similar specifications to Linear Technology/Analog Devices .
- TypeParameter
- Factory Lead Time8 Weeks
- Published2004
- Part StatusActive
- Moisture Sensitivity Level (MSL)1 (Unlimited)
- TypeOpto/Lighting
- Base Part NumberLTC1697
- FunctionCCFL Backlight Controller
- Utilized IC / PartLTC1697
- Supplied ContentsBoard(s)
- EmbeddedNo
- RoHS StatusROHS3 Compliant
0 Similar Products Remaining
Technical Documents
Associated Products
| Part Number | Manufacturer | Description | Stock | RFQ |
|---|---|---|---|---|
| Analog Devices, Inc. | 0 | RFQ |


Product
Brand
Articles
Tools







