Share
Linear Technology/Analog Devices DC858ALT6555CGN - HIGH SPEED TRIPLE 2:
Description
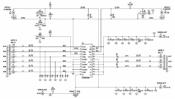
The Analog Devices DC858A-A LT6555CGN Demo Board is a high speed triple 2:1 video multiplexer designed for use with computers and peripherals. It is capable of operating with a supply voltage of 3.3V to 5V and a negative supply voltage of -3.3V to -5V. The board features a low power consumption, low distortion, and high speed operation. It is ideal for applications such as video switching, video multiplexing, and video distribution. The board is also compatible with a wide range of video formats, including NTSC, PAL, and HDTV.
Specifications
Linear Technology/Analog Devices technical specifications, attributes, parameters and parts with similar specifications to Linear Technology/Analog Devices .
- TypeParameter
- Factory Lead Time8 Weeks
- Part StatusActive
- Moisture Sensitivity Level (MSL)1 (Unlimited)
- TypeVideo
- FunctionVideo Multiplexer
- Utilized IC / PartLT6555
- Supplied ContentsBoard(s)
- EmbeddedNo
- RoHS StatusROHS3 Compliant
0 Similar Products Remaining
Technical Documents
Associated Products
| Part Number | Manufacturer | Description | Stock | RFQ |
|---|---|---|---|---|
| Analog Devices, Inc. | LT3479 - 3A, Full Featured DC/DC Converter with Soft-Start and Inrush Current Protection | 0 | RFQ | |
| Microchip Technology | 8-bit Microcontrollers - MCU 1.75KB 64 RAM 12 I/O Ind Temp TSSOP14 | 1920 | RFQ |


Product
Brand
Articles
Tools



