Maxim Integrated MAX14970EVKIT#KIT EVALUATION FOR MAX14970
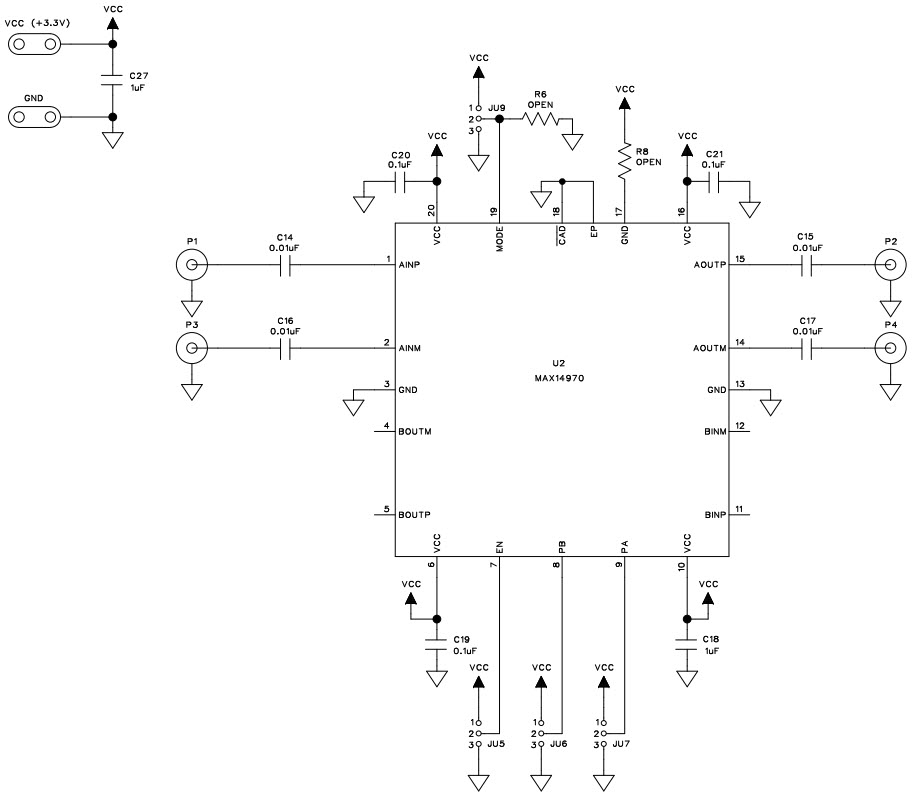
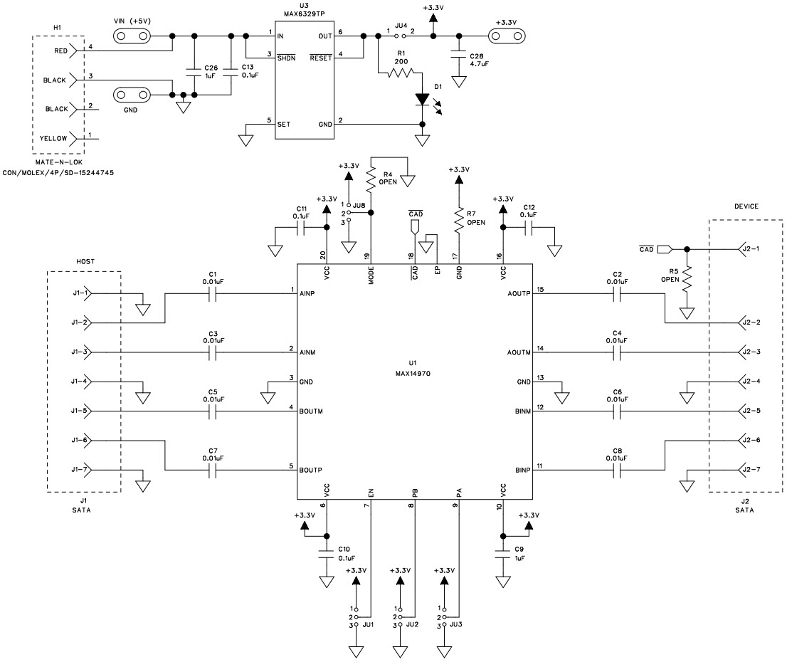
The MAX14970EVKIT-EVKIT# is an evaluation kit for the MAX14970 Ruggedized 6Gbps SATA Redriver with High ESD and Extended Temperature Operation. This kit is designed to help engineers evaluate the performance of the MAX14970 in a variety of applications. It includes a MAX14970 evaluation board, a USB-to-SATA adapter, and a USB-to-SATA cable. The evaluation board features a wide range of test points and connectors, allowing engineers to easily connect the MAX14970 to their system. The USB-to-SATA adapter and cable allow engineers to connect the MAX14970 to a computer or other peripheral device. The MAX14970 is designed to provide reliable data transmission in harsh environments, with high ESD protection and extended temperature operation. This evaluation kit is an ideal tool for engineers to evaluate the performance of the MAX14970 in their applications.
- TypeParameter
- Lifecycle StatusPRODUCTION (Last Updated: 1 month ago)
- Factory Lead Time6 Weeks
- Published2013
- Part StatusActive
- Moisture Sensitivity Level (MSL)1 (Unlimited)
- TypeInterface
- Base Part NumberMAX14970
- FunctionRe-Driver
- Max Supply Voltage5V
- Min Supply Voltage3.3V
- Min Input Voltage3.3V
- Max Input Voltage5V
- Utilized IC / PartMAX14970
- Supplied ContentsBoard(s)
- Evaluation KitYes
- Height30mm
- Length297mm
- Width210mm
- RoHS StatusROHS3 Compliant


Product
Brand
Articles
Tools










