Maxim Integrated MAX14986EVKIT#KIT EVALUATION FOR MAX14986
Description
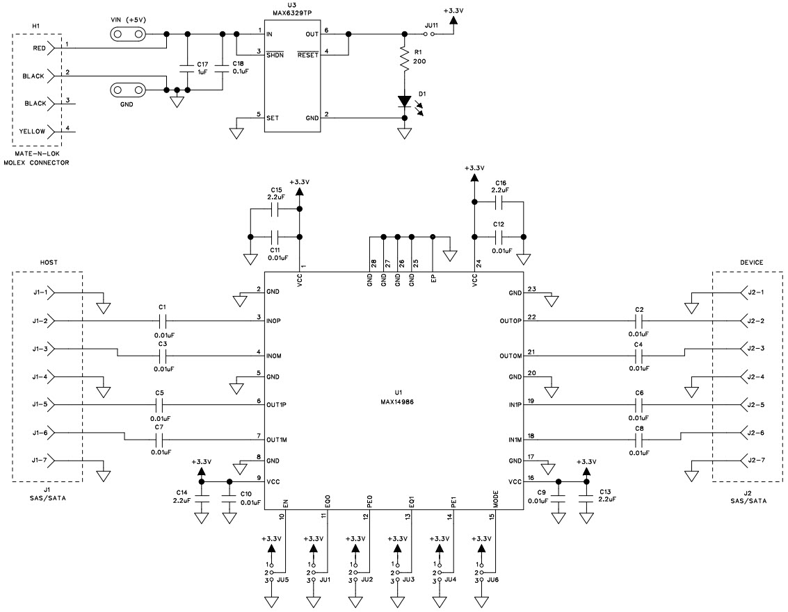
The MAX14986EVKIT-EVKIT# is an evaluation kit for the MAX14986 Dual 6 GT/s SAS/SATA Redriver with Equalization and Extended Temperature Operation, Industrial Grade. This kit provides a complete platform for evaluating the performance of the MAX14986 in a variety of applications. It includes a board with two 6 GT/s SAS/SATA connectors, a power supply, and a USB cable for connecting to a PC. The board also features a variety of test points and jumpers for easy evaluation of the device. The kit also includes a comprehensive user guide and software for configuring and testing the device. The MAX14986EVKIT-EVKIT# is ideal for evaluating the performance of the MAX14986 in industrial applications that require extended temperature operation.
Specifications
Maxim Integrated technical specifications, attributes, parameters and parts with similar specifications to Maxim Integrated .
- TypeParameter
- Lifecycle StatusPRODUCTION (Last Updated: 1 month ago)
- Factory Lead Time6 Weeks
- PackagingBulk
- Published2013
- Part StatusActive
- Moisture Sensitivity Level (MSL)1 (Unlimited)
- TypeInterface
- Base Part NumberMAX14986
- FunctionRe-Driver
- Max Supply Voltage5V
- Min Supply Voltage3.3V
- Min Input Voltage3.3V
- Max Input Voltage5V
- Utilized IC / PartMAX14986
- Supplied ContentsBoard(s)
- Evaluation KitYes
- Height30mm
- Length297mm
- Width210mm
- RoHS StatusROHS3 Compliant
0 Similar Products Remaining
Technical Documents


Product
Brand
Articles
Tools










