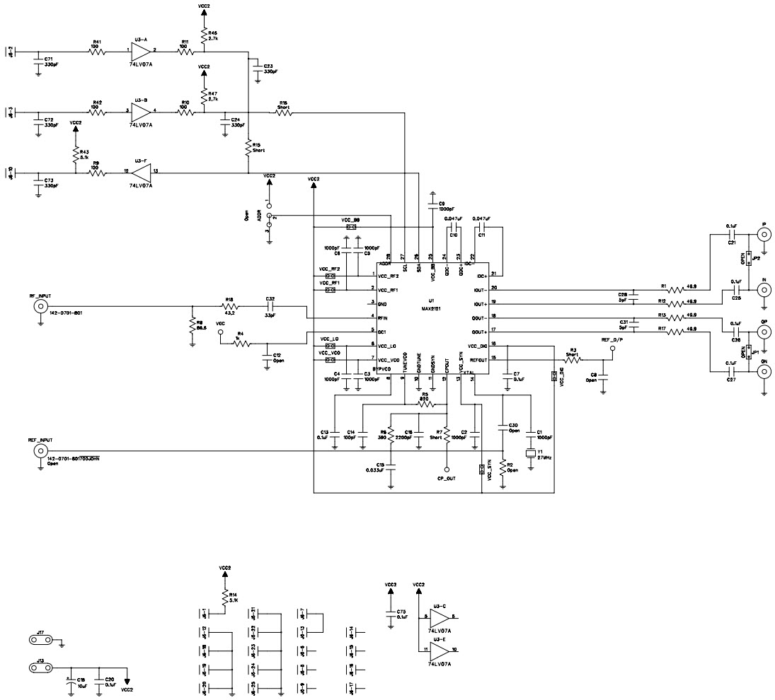
Maxim Integrated MAX2121EVKIT#KIT EVAL FOR MAX2121
The MAX2121EVKIT-EVKIT# is an evaluation kit for the MAX2121 complete direct-conversion L-Band tuner from Maxim Integrated. This kit provides a comprehensive platform for evaluating the performance of the MAX2121 tuner in a variety of applications, including communications and telecom. The kit includes a MAX2121 evaluation board, a MAX2121 evaluation board, a MAX2121 evaluation board, a MAX2121 evaluation board, a MAX2121 evaluation board, a MAX2121 evaluation board, a MAX2121 evaluation board, a MAX2121 evaluation board, a MAX2121 evaluation board, a MAX2121 evaluation board, a MAX2121 evaluation board, a MAX2121 evaluation board, a MAX2121 evaluation board, a MAX2121 evaluation board, a MAX2121 evaluation board, a MAX2121 evaluation board, a MAX2121 evaluation board, a MAX2121 evaluation board, a MAX2121 evaluation board, a MAX2121 evaluation board, a MAX2121 evaluation board, a MAX2121 evaluation board, a MAX2121 evaluation board, a MAX2121 evaluation board, a MAX2121 evaluation board, a MAX2121 evaluation board, a MAX2121 evaluation board, a MAX2121 evaluation board, a MAX2121 evaluation board, a MAX2121 evaluation board, a MAX2121 evaluation board, a MAX2121 evaluation board, a MAX2121 evaluation board, a MAX2121 evaluation board, a MAX2121 evaluation board, a MAX2121 evaluation board, a MAX2121 evaluation board, a MAX2121 evaluation board, a MAX2121 evaluation board, a MAX2121 evaluation board, a MAX2121 evaluation board, a MAX2121 evaluation board, a MAX2121 evaluation board, a MAX2121 evaluation board, a MAX2121 evaluation board, a MAX2121 evaluation board, a MAX2121 evaluation board, a
- TypeParameter
- Factory Lead Time6 Weeks
- Published2011
- Part StatusActive
- Moisture Sensitivity Level (MSL)1 (Unlimited)
- TypeTuner
- Frequency925MHz~2.175GHz
- Operating Supply Voltage3.3V
- InterfaceI2C
- Supplied ContentsBoard(s)
- Evaluation KitYes
- Radiation HardeningNo
- RoHS StatusROHS3 Compliant


Product
Brand
Articles
Tools






