Maxim Integrated MAX7359EVKIT+KIT EVAL FOR MAX7359
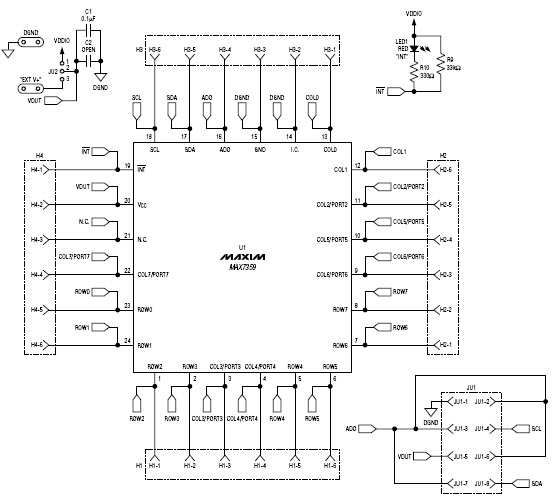
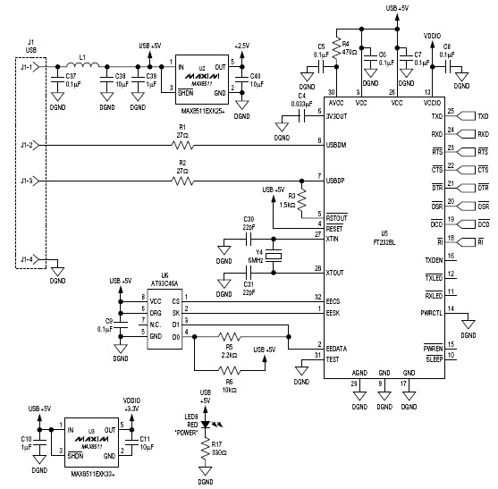
The MAX7359EVKIT+ Evaluation Kit from Maxim Integrated is designed to evaluate the MAX7359 SPI Interface Consumer Electronics IC. This kit includes a MAX7359EVKIT+ board, a USB cable, and a CD containing the MAX7359EVKIT+ software. The MAX7359EVKIT+ board features a MAX7359 IC, a USB connector, and a variety of test points and jumpers. The MAX7359 IC is a low-power, low-voltage, single-chip solution for consumer electronics applications. It provides a complete SPI interface for controlling consumer electronics devices such as TVs, DVD players, and digital cameras. The MAX7359EVKIT+ software provides a graphical user interface for configuring and testing the MAX7359 IC. The software also includes a library of example code for controlling the MAX7359 IC.
- TypeParameter
- Factory Lead Time8 Weeks
- Published2006
- Part StatusActive
- Moisture Sensitivity Level (MSL)1 (Unlimited)
- TypeInterface
- FunctionGPIO Expander
- Operating Supply Voltage3.6V
- Utilized IC / PartMAX7359
- Supplied ContentsBoard(s)
- Evaluation KitYes
- Radiation HardeningNo
- RoHS StatusROHS3 Compliant
| Part Number | Manufacturer | Description | Stock | RFQ |
|---|---|---|---|---|
| Maxim Integrated | 0 | RFQ |


Product
Brand
Articles
Tools







