Maxim Integrated MAX3421EVKIT-1EVAL KIT FOR MAX3421E
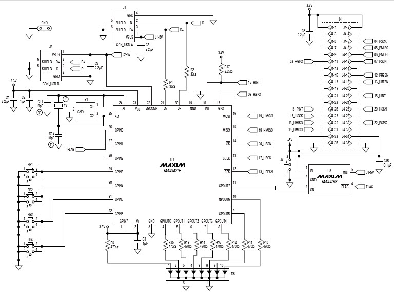
The MAX3421EVKIT-1 is an evaluation kit for the MAX3421 3.3V SPI Interface, Video and Imaging Peripheral Controller from Maxim Integrated. This kit provides a complete platform for evaluating the features and performance of the MAX3421. It includes a MAX3421E USB peripheral controller, a USB-A to USB-B cable, a USB-A to mini-B cable, a USB-A to micro-B cable, a USB-A to mini-B adapter, and a USB-A to micro-B adapter. The kit also includes a MAX3421E evaluation board, a MAX3421E evaluation board software package, and a MAX3421E evaluation board user guide. The evaluation board provides a convenient platform for evaluating the features and performance of the MAX3421. It includes a USB-A connector, a USB-B connector, a mini-B connector, a micro-B connector, and a mini-B adapter. The evaluation board also includes a MAX3421E evaluation board software package, which provides a graphical user interface for configuring and testing the MAX3421. The evaluation board also includes a MAX3421E evaluation board user guide, which provides detailed instructions for setting up and using the evaluation board.
- TypeParameter
- Factory Lead Time6 Weeks
- Published2007
- Part StatusActive
- Moisture Sensitivity Level (MSL)1 (Unlimited)
- TypeInterface
- Base Part NumberMAX3421
- FunctionUSB 2.0 Host/Controller
- Operating Supply Voltage3.3V
- InterfaceSPI, USB
- Operating Supply Current100mA
- Max Input Voltage5V
- Utilized IC / PartMAX3421E
- Supplied ContentsBoard(s)
- Evaluation KitYes
- Primary AttributesFull Speed (12Mbps), SPI Interface
- EmbeddedYes, MCU, 8-Bit
- Secondary AttributesMAX3420E Provided On-Board as a Test Peripheral
- Height30mm
- Length297mm
- Width210mm
- Radiation HardeningNo
- RoHS StatusROHS3 Compliant
- Lead FreeLead Free
| Part Number | Manufacturer | Description | Stock | RFQ |
|---|---|---|---|---|
| Maxim | Power Switch ICs - Power Distribution 200mA/250mA/300mA Current-Limit Switches | 0 | RFQ | |
| Maxim Integrated | MAXIM INTEGRATED PRODUCTS MAX3420EECJ IC, USB P/H CONTROLLER, SPI, 32LQFP | 300 | BUY |


Product
Brand
Articles
Tools











