Maxim Integrated MAX77714EVKIT#EVAL PMIC MAX77714
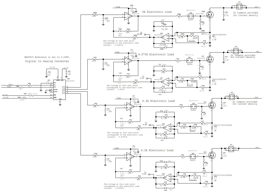
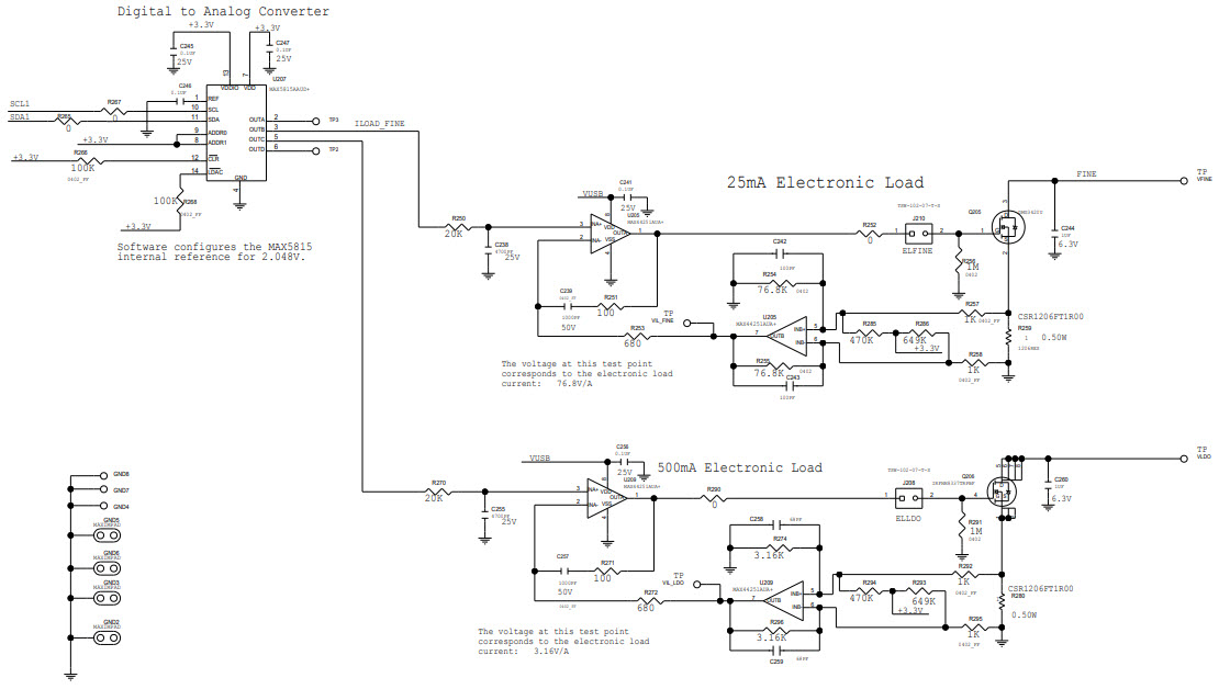
The MAX77714EVKIT-EVKIT# is an evaluation kit for the MAX77714 Multichannel Integrated Power-Management IC, designed for automotive and transportation applications. The kit includes a MAX77714EVKIT# board, a MAX77714EVKIT# daughter board, and a USB cable. The MAX77714EVKIT# board features a MAX77714 IC, a USB-to-I2C bridge, and a USB-to-UART bridge. The MAX77714EVKIT# daughter board includes a MAX77714 IC, a MAX77714EVKIT# daughter board, and a MAX77714EVKIT# daughter board. The kit also includes a MAX77714EVKIT# software package, which provides a graphical user interface (GUI) for configuring and testing the MAX77714 IC. The MAX77714EVKIT# board is designed to provide a complete power-management solution for automotive and transportation applications. It features a wide range of power-management features, including voltage and current monitoring, over-voltage protection, and over-temperature protection. The MAX77714EVKIT# board also supports a variety of communication protocols, including I2C, SPI, and UART. The MAX77714EVKIT# board is designed to be easy to use and provides a comprehensive set of features for automotive and transportation applications.
- TypeParameter
- Factory Lead Time6 Weeks
- Part StatusActive
- Moisture Sensitivity Level (MSL)1 (Unlimited)
- TypePower Management
- FunctionSpecial Purpose: Mobiles
- Utilized IC / PartMAX77714
- Supplied ContentsBoard(s)
- EmbeddedYes, MCU, 16-Bit
- Secondary AttributesGraphical User Interface, I2C Interface
- RoHS StatusROHS3 Compliant
| Part Number | Manufacturer | Description | Stock | RFQ |
|---|---|---|---|---|
| EPSON | CRYSTAL 32.7680KHZ 12.5PF SMD | 1000 | RFQ | |
| Kyocera International Inc. Electronic Components | Crystals AEC-Q200 16000kHz 8pF 3.2x2.5mm | 0 | RFQ | |
| Semtech Corporation | IC GPIO EXPANDER I2C 16CH 28-QFN | 12000 | RFQ | |
| Microchip Technology | MICROCHIP - 24AA02T-I/OT - EEPROM, 2 Kbit, 256 x 8bit, Serial I2C (2-Wire), 400 kHz, SOT-23, 5 Pins | 6000 | RFQ | |
| Epson America, Inc | Crystal 0.032768MHz ±20ppm (Tol) 12.5pF FUND 70000Ohm 2-Pin CSMD T/R | 0 | RFQ |


Product
Brand
Articles
Tools

















