Maxim Integrated MAX86140EVSYS#EVAL MAX86140 OXIMETER/HEARTRATE
The MAX86140EVSYS# Evaluation System for MAX86140 Best-in-Class Optical Pulse Oximeter and Heart-Rate Sensor for Wearable Health, Medical and Healthcare Applications is a comprehensive evaluation system designed to help developers quickly and easily evaluate the performance of the MAX86140 optical pulse oximeter and heart-rate sensor. The system includes a MAX86140 evaluation board, a MAX86140 evaluation software package, and a MAX86140 evaluation kit. The evaluation board provides a platform for testing the MAX86140 sensor, while the evaluation software package provides a graphical user interface for configuring and testing the sensor. The evaluation kit includes a variety of accessories, such as a USB cable, a power supply, and a variety of cables and connectors, to help developers quickly and easily evaluate the performance of the MAX86140 sensor. The MAX86140EVSYS# Evaluation System is an ideal solution for developers looking to quickly and easily evaluate the performance of the MAX86140 optical pulse oximeter and heart-rate sensor for wearable health, medical, and healthcare applications.
- TypeParameter
- Factory Lead Time6 Weeks
- PackagingBox
- Published2017
- Part StatusActive
- Moisture Sensitivity Level (MSL)1 (Unlimited)
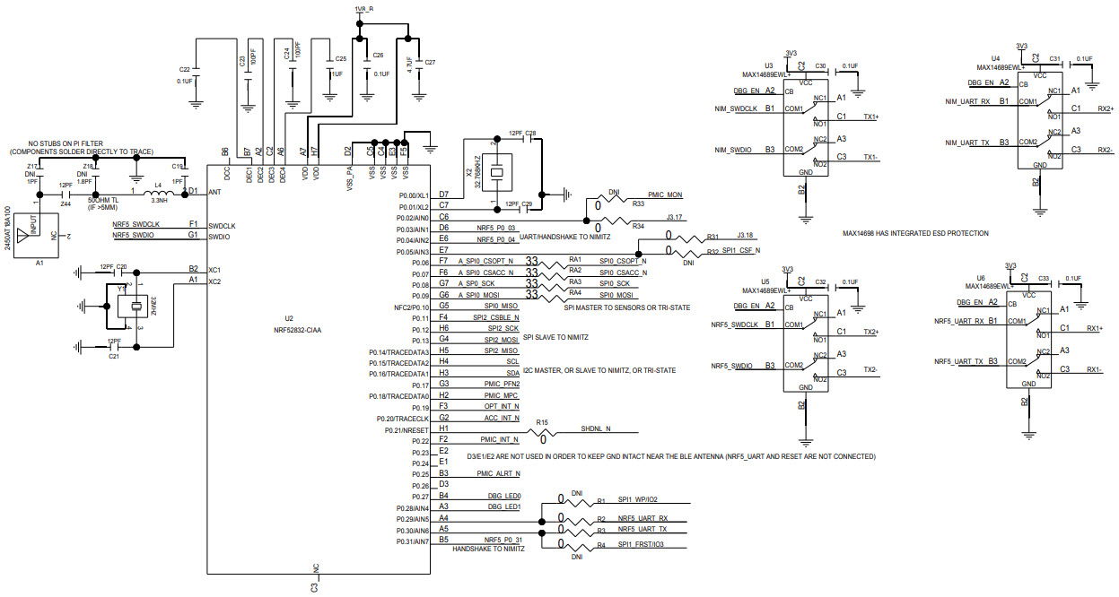
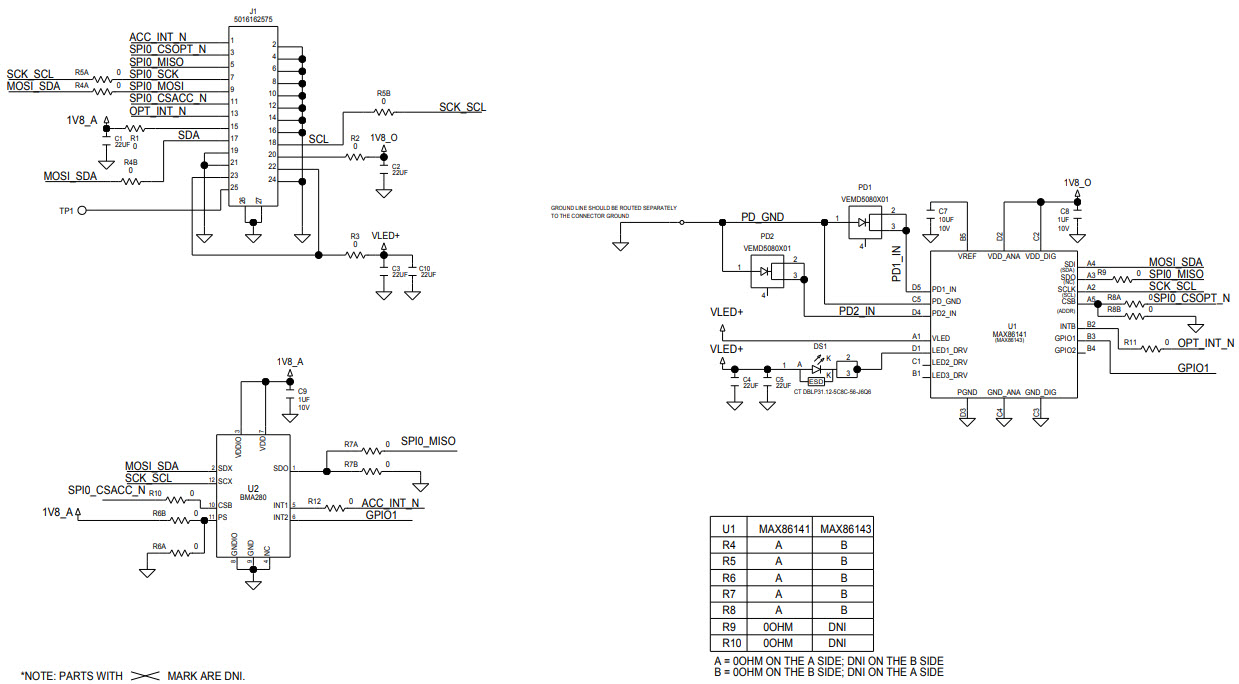
- Base Part NumberMAX86140
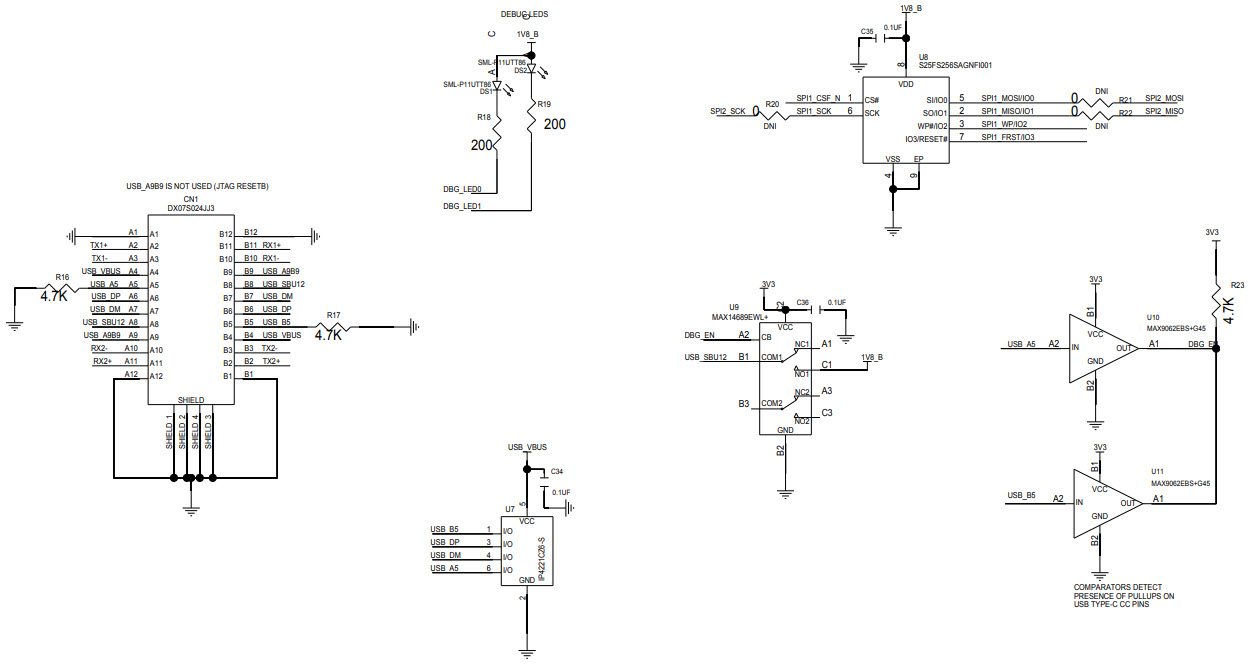
- InterfaceSPI
- Utilized IC / PartMAX86140, MAX86141
- Supplied ContentsBoard(s)
- Sensor TypeMedical, Pulse Oximeter (PO or SpO2)
- RoHS StatusROHS3 Compliant
| Part Number | Manufacturer | Description | Stock | RFQ |
|---|---|---|---|---|
| Maxim | Multi Function Battery Management IC Li-Ion I2C 2.375V 56-Bump WLP T/R - Product that comes on tape, but is not reeled (Alt: MAX20303HEWN ) | 0 | RFQ | |
| Diodes Incorporated | CRYSTAL 32..0000MHZ 8PF SMD | 0 | RFQ | |
| ECS Inc. | Crystal 0.032768MHz ±20ppm (Tol) 6pF Flexural 50000Ohm Automotive 2-Pin Ultra Mini-CSMD T/R | 0 | RFQ |


Product
Brand
Articles
Tools



















