Maxim Integrated MAX9926UEVKIT+EVALUATION KIT FOR MAX9926U
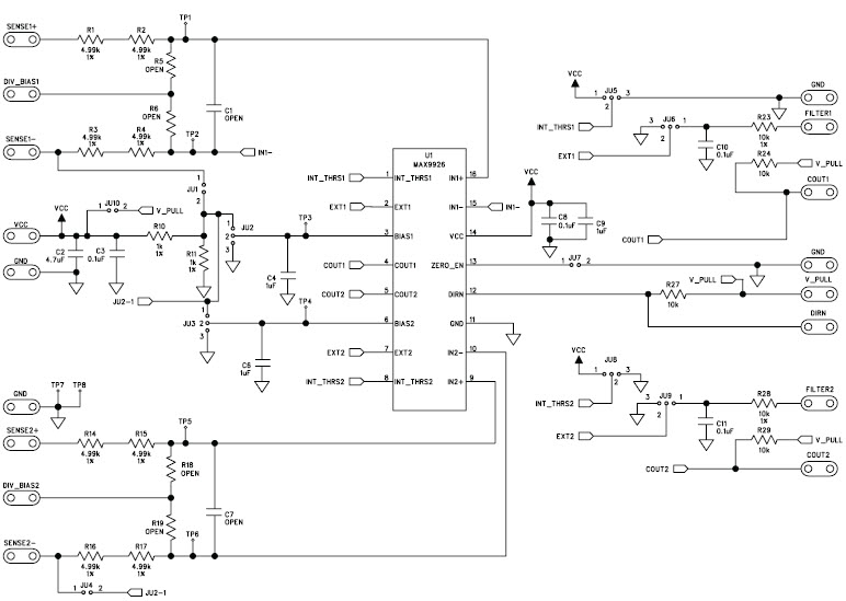
The MAX9926UEVKIT+ Evaluation Kit from Maxim Integrated is designed to evaluate the MAX9926 4.5 to 5.5V Magnetic Sensor for Magnetic Card Reader, Security, and Automotive Applications. This kit includes a MAX9926UEVKIT+ board, a MAX9926UEVKIT+ cable, and a MAX9926UEVKIT+ software. The MAX9926UEVKIT+ board features a MAX9926 magnetic sensor, a MAX9926 evaluation board, and a MAX9926 evaluation cable. The MAX9926UEVKIT+ cable is a USB-to-I2C cable that allows for easy connection to a PC for programming and debugging. The MAX9926UEVKIT+ software provides a graphical user interface for configuring and testing the MAX9926 magnetic sensor. The MAX9926UEVKIT+ is ideal for evaluating the MAX9926 magnetic sensor for magnetic card reader, security, and automotive applications.
- TypeParameter
- Factory Lead Time6 Weeks
- Published2010
- Part StatusActive
- Moisture Sensitivity Level (MSL)1 (Unlimited)
- TypeInterface
- Base Part NumberMAX9926
- FunctionSensor, Variable Reluctance
- Max Supply Voltage5.5V
- Min Supply Voltage4.5V
- Min Input Voltage4.5V
- Max Input Voltage5.5V
- Utilized IC / PartMAX9926U
- Supplied ContentsBoard(s)
- Evaluation KitYes
- Primary AttributesDifferential Inputs
- EmbeddedNo
- Secondary Attributes4.5V ~ 5.5V Supply
- Width210mm
- Length297mm
- Height30mm
- RoHS StatusROHS3 Compliant


Product
Brand
Articles
Tools






