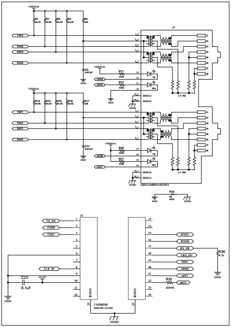
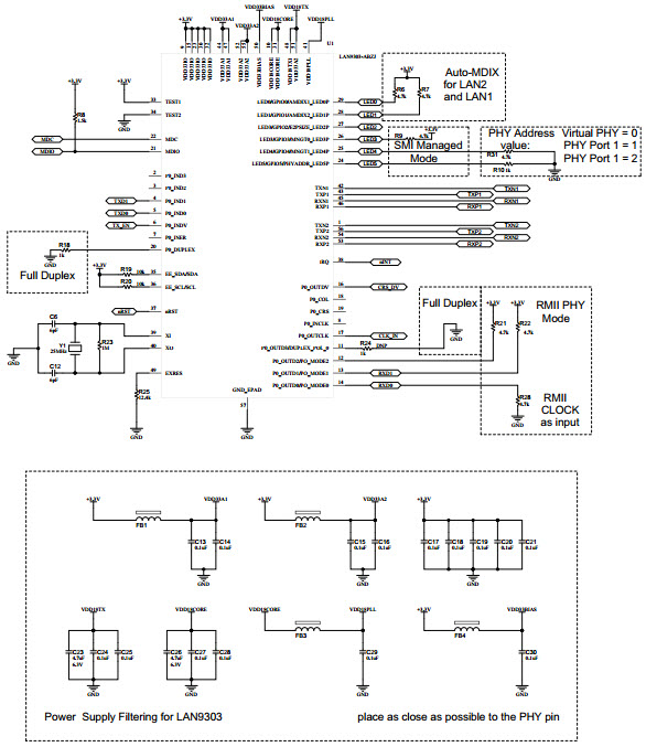
Microchip Technology AC320004-4LAN9303 PHY Switch Daughter Board
The Microchip Technology AC320004-4 PHY Daughter Board is a communications and telecom solution based on the LAN9303 Ethernet Switch PHY. It is designed to provide a high-performance, low-power, and cost-effective solution for Ethernet applications. The board features a single-port 10/100/1000 Mbps Ethernet PHY, a single-port 10/100 Mbps Ethernet PHY, and a single-port 10/100 Mbps Ethernet Switch. It also includes a USB 2.0 port, an I2C port, and a JTAG port for debugging. The board is designed to be used with a variety of Microchip microcontrollers, including the PIC32MX, PIC32MZ, and PIC32MZDA families. It is also compatible with a variety of operating systems, including Windows, Linux, and Mac OS X. The board is RoHS compliant and is designed to meet the requirements of industrial and commercial applications.
- TypeParameter
- Factory Lead Time14 Weeks
- Published2012
- Part StatusActive
- Moisture Sensitivity Level (MSL)1 (Unlimited)
- Accessory TypeInterface Board
- Core ArchitecturePIC
- REACH SVHCNo SVHC
- RoHS StatusROHS3 Compliant


Product
Brand
Articles
Tools










