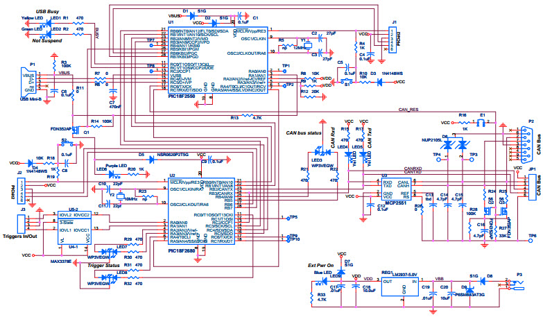
Microchip Technology APGDT002MICROCHIP - APGDT002 - CAN BUS ANALYZER TOOL, CAN 2.0B
The Microchip Technology APGDT002-APGDT002 CAN Bus Analyzer Development Kit is a comprehensive tool for automotive and transportation applications. It provides a complete solution for analyzing, debugging, and testing CAN bus networks. The kit includes a CAN bus analyzer, a CAN bus transceiver, and a CAN bus protocol stack. The analyzer is capable of capturing and decoding CAN bus frames, and can be used to monitor and analyze CAN bus traffic. The transceiver allows for communication between the CAN bus and the host system, and the protocol stack provides a comprehensive set of functions for developing CAN bus applications. The kit also includes a variety of software tools for configuring and debugging CAN bus networks. The APGDT002-APGDT002 CAN Bus Analyzer Development Kit is an ideal solution for automotive and transportation applications that require reliable and efficient CAN bus communication.
- TypeParameter
- Factory Lead Time14 Weeks
- Published2007
- Part StatusActive
- Moisture Sensitivity Level (MSL)1 (Unlimited)
- Operating Supply Voltage24V
- InterfaceUSB
- Tool TypeCAN BUS Analyzer
- Evaluation KitYes
- REACH SVHCNo SVHC
- RoHS StatusNon-RoHS Compliant
- Lead FreeLead Free
| Part Number | Manufacturer | Description | Stock | RFQ |
|---|---|---|---|---|
| Texas Instruments | IC REG LIN 3.3V 500MA DDPAK | 8 | BUY | |
| Microchip Technology | IC PIC MCU FLASH 16KX16 28SOIC | 876 | RFQ | |
| Texas Instruments | IC REG LIN 5V 500MA DDPAK/TO263 | 153 | BUY | |
| Microchip Technology | IC MCU 8BIT 64KB FLASH 28SOIC | 5 | RFQ | |
| Texas Instruments | IC REG LIN 2.5V 500MA DDPAK | 4 | BUY | |
| Texas Instruments | IC REG LIN 12V 500MA DDPAK | 87 | BUY | |
| Texas Instruments | IC REG LIN 15V 500MA DDPAK | 500 | BUY | |
| Texas Instruments | IC REG LIN 12V 500MA DDPAK | 10000 | RFQ | |
| Texas Instruments | IC REG LIN 8V 500MA DDPAK | 22500 | RFQ |


Product
Brand
Articles
Tools










