Microchip Technology DM320109CRYPTO AUTHENTICATION SOIC XPRO
The Microchip Technology DM320109 Crypto Authentication SOIC Xplained-Pro Starter Kit is a comprehensive development platform for evaluating and developing secure authentication solutions. It includes the SAMD21-XPRO and AT88CKSCKTSOIC-XPRO Socket Board, as well as a range of computers and peripherals. The SAMD21-XPRO is a low-power, 32-bit ARM Cortex-M0+ microcontroller with a wide range of peripherals and features. The AT88CKSCKTSOIC-XPRO Socket Board is a secure socket board that supports the AT88CKSCKTSOIC-XPRO secure authentication device. The kit also includes a range of computers and peripherals, such as a USB cable, a USB-to-UART bridge, and a JTAG debugger. The kit is designed to provide a comprehensive development platform for evaluating and developing secure authentication solutions.
- TypeParameter
- Factory Lead Time14 Weeks
- SeriesCryptoAuthentication™
- Part StatusActive
- Moisture Sensitivity Level (MSL)1 (Unlimited)
- TypeInterface
- FunctionAnti Tamper and Security
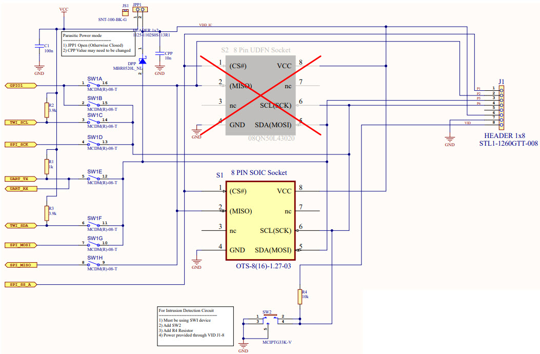
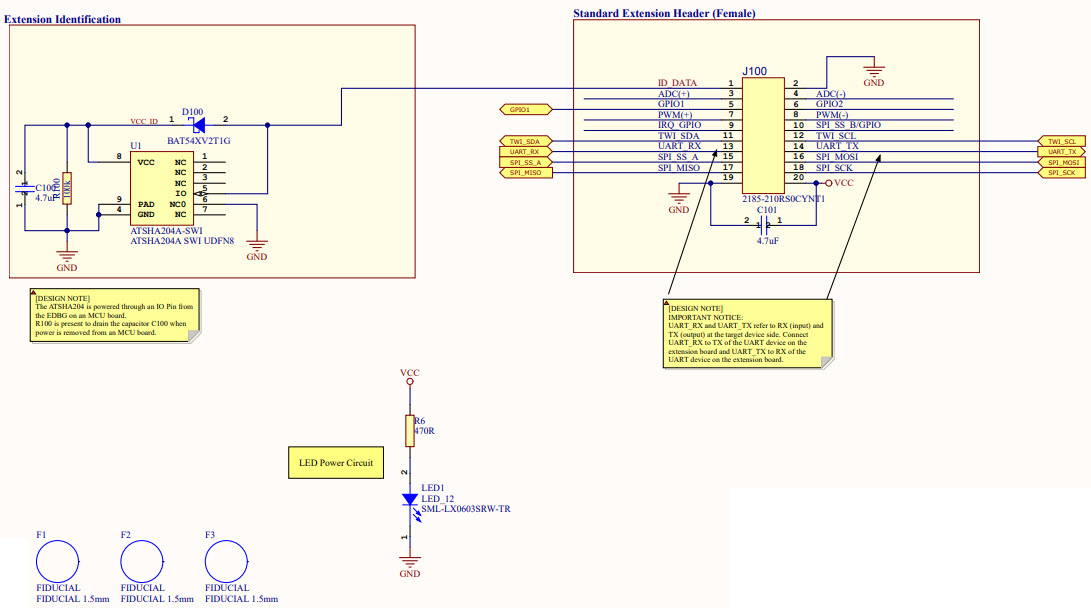
- Utilized IC / PartATAES132A, ATECC108A, ATECC508A, ATECC608A, ATSHA204A
- Supplied ContentsBoard(s), Cable(s), Accessories
- EmbeddedYes, MCU, 32-Bit
| Part Number | Manufacturer | Description | Stock | RFQ |
|---|---|---|---|---|
| Microchip Technology | IC AUTHENTICATION CHIP 8UDFN | 5000 | RFQ | |
| ON Semiconductor | DIODE SCHOTTKY 30V 200MA SOD523 | 11171 | RFQ | |
| Microchip Technology | ATMEL ATSAMD21J18A-MF 32 Bit Microcontroller, SAM D Series, ARM Cortex-M0 , 48 MHz, 256 KB, 32 KB, 64 Pins, QFN | 6349 | RFQ | |
| Microchip Technology | IC MCU 32BIT 256KB FLASH 100BGA | 1088 | RFQ | |
| Texas Instruments | IC OR CTRLR SRC SELECT 8TSSOP | 7582 | BUY | |
| Microchip Technology | IC MCU 32BIT 256KB FLASH 64TQFP | 3000 | RFQ | |
| Microchip Technology | MICROCHIP - ATSAMD21J18A-AF - MCU, 32BIT, CORTEX-M0 , 48MHZ, TQFP-64 | 4500 | RFQ | |
| Microchip Technology | IC MCU 32BIT 256KB FLASH 64QFN | 3985 | RFQ |


Product
Brand
Articles
Tools



























