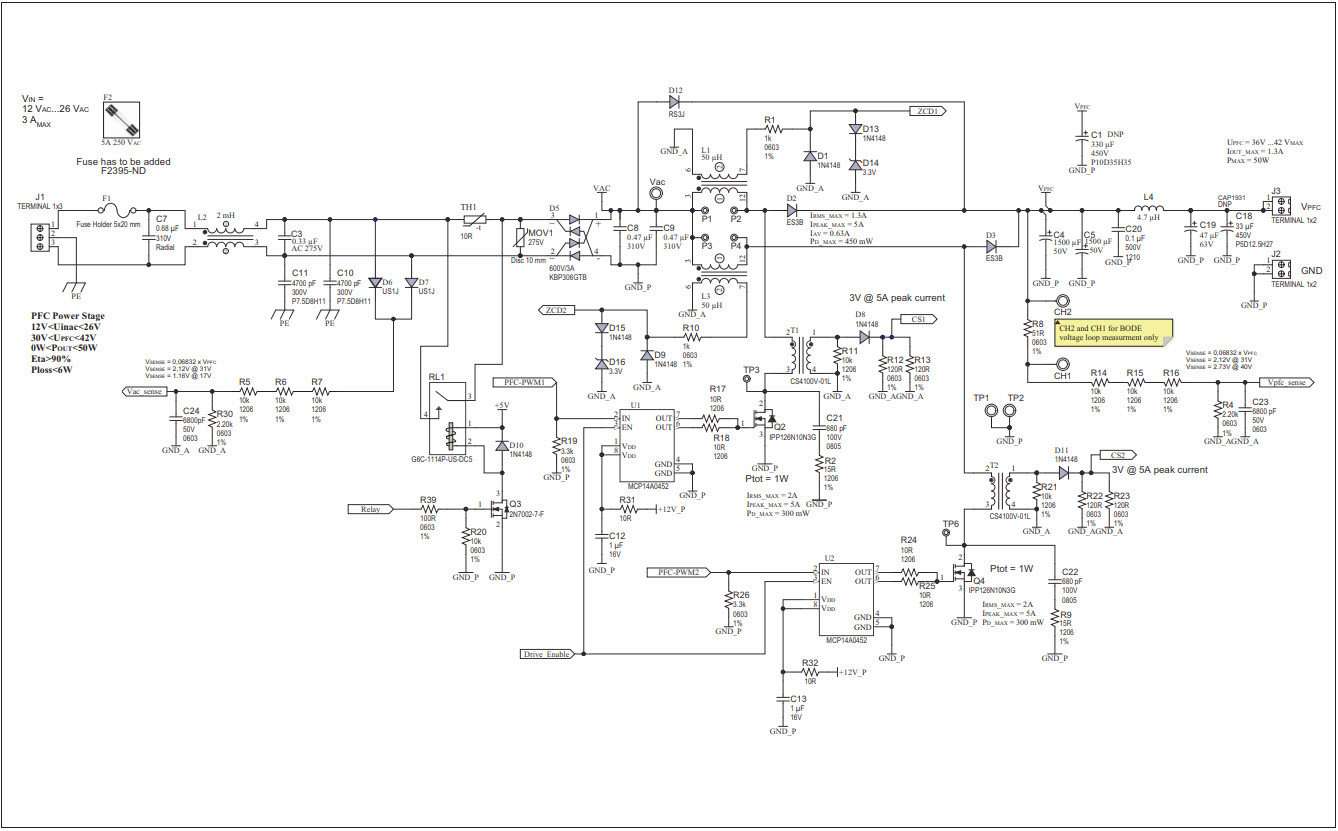
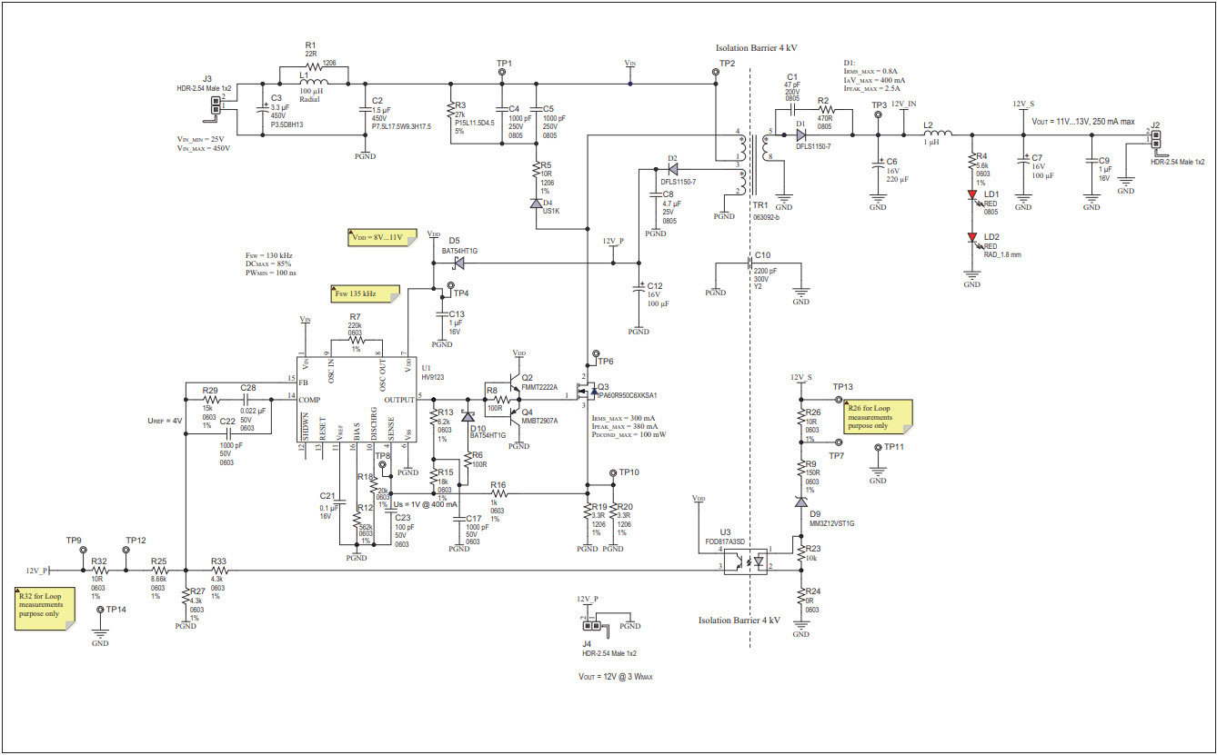
Microchip Technology DV330101LOW VOLTAGE PFC DEVELOPMENT KIT
The Microchip Technology DV330101-DV330101 Low-Voltage Power Factor Correction (PFC) Development Kit is a comprehensive solution for evaluating and developing power management ICs. This kit includes a DV330101 PFC controller, a power supply, and a variety of components to help you evaluate and develop your power management ICs. The DV330101 PFC controller is a high-performance, low-voltage, single-phase PFC controller that is designed to meet the requirements of a wide range of applications. It features a wide input voltage range, low start-up current, and high efficiency. The kit also includes a power supply, a variety of components, and a comprehensive user guide to help you get started. With this kit, you can quickly and easily evaluate and develop your power management ICs.
- TypeParameter
- Factory Lead Time14 Weeks
- Part StatusActive
- Moisture Sensitivity Level (MSL)1 (Unlimited)
- TypePower Management
- FunctionPower Factor Correction
- Utilized IC / PartdsPIC33EP128GS806
- Supplied ContentsBoard(s)
- EmbeddedYes, MCU, 16-Bit
| Part Number | Manufacturer | Description | Stock | RFQ |
|---|---|---|---|---|
| Microchip Technology | MICROCHIP - MCP9700T-E/TT - Temperature Sensor IC, Analogue, ± 4°C, 0 °C, 70 °C, SC-70, 3 Pins | 1933 | RFQ | |
| Microchip Technology | 14 SOIC 3.90MM(.150IN) Tubeswitchmode Controller; 450V; 2% Ref | 100 | RFQ | |
| Microchip Technology | Non-Inverting 4.5A single MOSFET driver with low input threshold and enable pin | 488 | BUY |


Product
Brand
Articles
Tools






















